Качественные детали и логистика
Оригинальные и аналоговые запчасти с доставкой по России, Казахстану и Беларуси
©2022 PartSell ООО "Система" ИНН 2463123282 ОГРН 1212400004838
Центральный офис: г. Красноярск, Академика Киренского, д.87, пом.4
Телефон: 8 (800) 777-65-74 Email: zakaz@partsell.ru
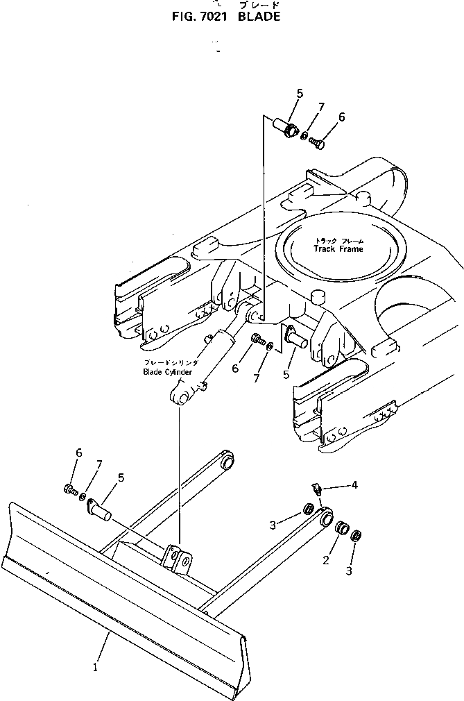
ОТВАЛ
№
Артикул
Название
Примечание
Количество
1
20N-71-41111
BLADE
2
07144-10304
BUSHING
3
07145-00035
SEAL
4
07020-00675
FITTING,GREASE
5
20N-70-44250
PIN
6
01010-51225
BOLT
7
01643-31232
WASHER
Выбрано товаров: 0