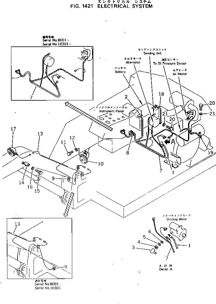
Запчасти Komatsu PC10-5 ЭЛЕКТРИКА КОМПОНЕНТЫ ДВИГАТЕЛЯ И ЭЛЕКТРИКА

Схема запчастей Komatsu PC10-5 - ЭЛЕКТРИКА КОМПОНЕНТЫ ДВИГАТЕЛЯ И ЭЛЕКТРИКА
FIT
1:1
100%

Артикул

Название

Примечание

Количество

1

20N-06-41311

WIRE ASS'Y

|1

20N-06-41310

WIRE ASS'Y

2

08038-22009

CAP

3

08038-02027

CAP

4

01580-10806

NUT

5

01602-20825

WASHER,SPRING

6

01640-20816

WASHER

7

20N-06-41225

WIRE ASS'Y

|7

20N-06-41223

WIRE ASS'Y

|7

20N-06-41222

WIRE ASS'Y

|7

20N-06-41221

WIRE ASS'Y

8

08037-05016

GROMMET

9

08037-01008

GROMMET

10

08160-41200

HORN

11

01010-50816

BOLT

12

01602-20825

WASHER,SPRING

13

20N-06-22150

WIRE ASS'Y

14

20N-06-11222

BRACKET

15

01010-51225

BOLT

16

01602-21236

WASHER,SPRING

17

08125-01200

LAMP ASS'Y

|17

08107-01260

BULB¤ 60W

|17

08125-00006

LENS

18

20N-06-41330

WIRE

|18

20N-06-41320

WIRE

19

20N-06-41330

WIRE

20

01010-51020

BOLT

|20

01010-51020

BOLT

21

01602-21030

WASHER,SPRING

|21

01602-21030

WASHER,SPRING

Выбрано товаров: 0