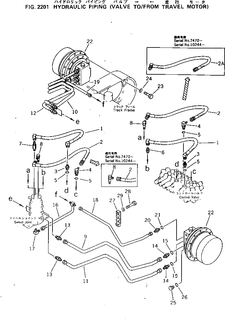
Запчасти Komatsu PC10-5 ГИДРОЛИНИЯ (КЛАПАН TO/FROM TRAUEL МОТОР) ХОД И КОНЕЧНАЯ ПЕРЕДАЧА

Схема запчастей Komatsu PC10-5 - ГИДРОЛИНИЯ (КЛАПАН TO/FROM TRAUEL МОТОР) ХОД И КОНЕЧНАЯ ПЕРЕДАЧА
FIT
1:1
100%

Артикул

Название

Примечание

Количество

1

20N-62-42425

HOSE

|1

20N-62-42420

HOSE

2

20M-62-11460

HOSE

|2

20N-62-32330

HOSE

|2

20N-62-42430

HOSE

2A

20M-62-32631

HOSE

|2A

20N-62-42430

HOSE

3

20N-62-31270

NIPPLE

4

20R-62-21121

ELBOW

5

07002-11823

O-RING

6

20N-62-42440

NIPPLE

7

20N-62-42450

NIPPLE

8

20N-62-42580

ELBOW

9

20N-62-41110

TUBE

10

20N-62-41120

TUBE

11

20N-62-41130

TUBE

12

20N-62-41140

TUBE

13

20N-62-41270

CONNECTOR

14

20M-62-11310

NIPPLE

15

07000-12014

O-RING

16

20N-62-41171

TUBE

17

20M-62-32260

ELBOW

18

20N-62-41150

TUBE

19

20N-62-41160

TUBE

20

20N-62-31250

NIPPLE

21

07000-12011

O-RING

22

20N-60-41205

TRAVEL MOTOR ASS'Y

|22

20N-60-31200

TRAVEL MOTOR ASS'Y

23

01010-51230

BOLT

|23

01010-51230

BOLT

24

01602-21236

WASHER,SPRING

|24

01602-21236

WASHER,SPRING

25

20N-62-31220

PLUG

26

07000-12011

O-RING

27

20N-62-31240

CLAMP

28

01010-51045

BOLT

29

01602-21030

WASHER,SPRING

Выбрано товаров: 37