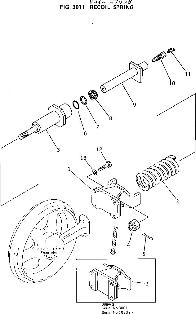
Запчасти Komatsu PC10-5 ПРУЖИНА ХОДОВАЯ

Схема запчастей Komatsu PC10-5 - ПРУЖИНА ХОДОВАЯ
FIT
1:1
100%

Артикул

Название

Примечание

Количество

1

20N-30-43135

BRACKET

|1

20N-30-43130

BRACKET

2

20R-30-21220

SPRING,RECOIL

3

20N-30-41515

CYLINDER

|3

20N-30-41511

CYLINDER

4

01590-12226

NUT

5

04050-15040

PIN,COTTER

6

07000-13035

O-RING

7

07001-03035

RING,BACK-UP

8

20N-30-41530

SEAL

9

20N-30-41520

ROD

10

20M-30-31240

VALVE

11

07020-00675

FITTING,GREASE

12

01010-51245

BOLT

13

01602-21236

WASHER,SPRING

Выбрано товаров: 15