Запчасти Komatsu PC10-5 ПЕРЕДН. ЛЕНИВЕЦ (ДЛЯ РЕЗИН. SHOE) ХОДОВАЯ

Схема запчастей Komatsu PC10-5 - ПЕРЕДН. ЛЕНИВЕЦ (ДЛЯ РЕЗИН. SHOE) ХОДОВАЯ
FIT
1:1
100%

Артикул

Название

Примечание

Количество

|1

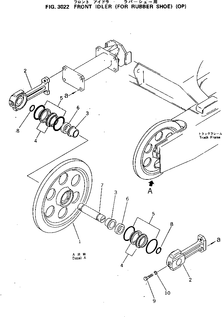
20N-35-00030

IDLER ASS'Y

1

20N-35-41360

IDLER

2

20R-30-21121

SUPPORT

3

10E-30-12150

BUSHING

|4

140-30-00141

FLOATING SEAL ASS'Y

4

140-30-00401

SEAL RING ASS'Y

|4

RING

5

140-30-00411

O-RING ASS'Y

|5

O-RING

6

10E-30-12140

COLLAR

7

20R-30-11240

SHAFT,SEAL

8

07000-03028

O-RING

9

01090-51045

BOLT

10

01602-21030

WASHER,SPRING

Выбрано товаров: 14