Запчасти Komatsu PC10-5 МЕХ-М УПРАВЛ-Я РАБОЧ. ОБОРУД-EM(QUICK SHIFT)(/)(№7-8) ПОВОРОТН. И СИСТЕМА УПРАВЛЕНИЯ

Схема запчастей Komatsu PC10-5 - МЕХ-М УПРАВЛ-Я РАБОЧ. ОБОРУД-EM(QUICK SHIFT)(/)(№7-8) ПОВОРОТН. И СИСТЕМА УПРАВЛЕНИЯ
FIT
1:1
100%

Артикул

Название

Примечание

Количество

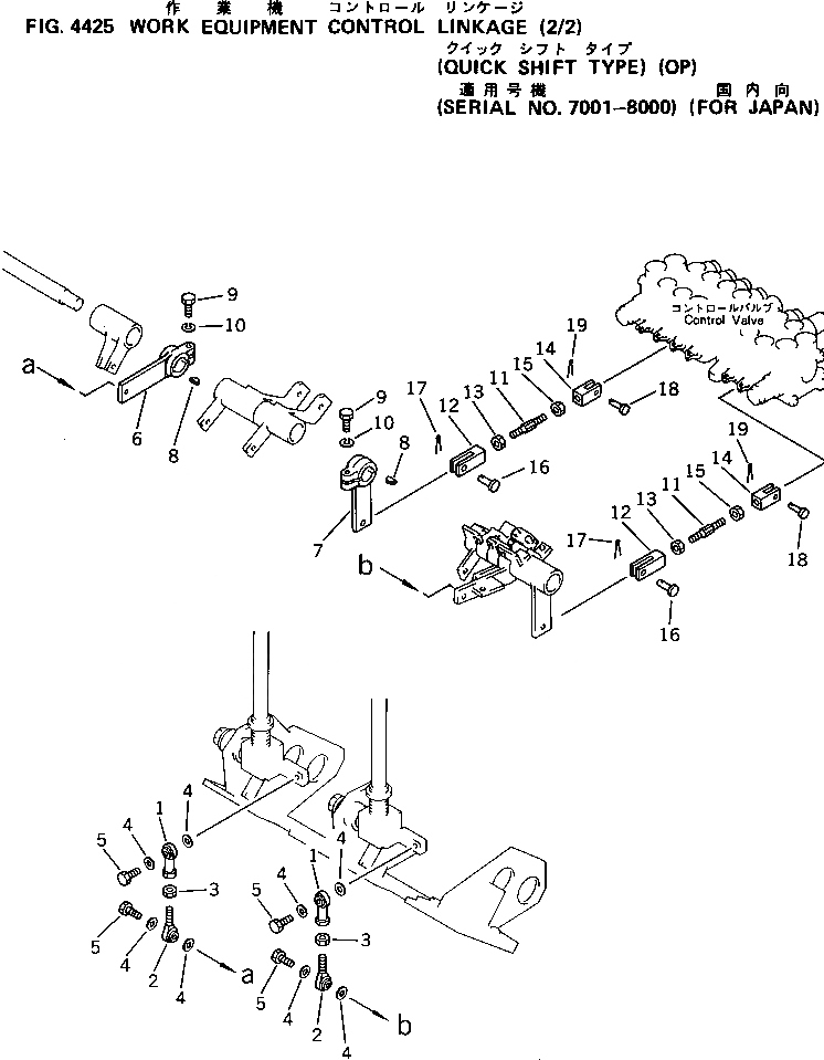
1

04250-80847

END,ROD

2

04252-20853

END,ROD

3

01580-10806

NUT

4

04254-00823

SPACER

5

01010-50830

BOLT

6

20N-43-41511

LEVER

7

20N-43-41521

LEVER

8

04010-00725

KEY

9

01010-50830

BOLT

10

01602-20825

WASHER,SPRING

11

20N-43-41270

ROD

12

04211-20844

YOKE

13

01580-10806

NUT

14

20N-43-41260

YOKE,L.H. THREAD

15

01508-20805

NUT,L.H. THREAD

16

04205-10822

PIN

17

04050-12012

PIN,COTTER

18

04205-10520

PIN

19

04050-11208

PIN,COTTER

Выбрано товаров: 19