Запчасти Komatsu PC10-5 ГИДР. НАСОС. (/)(№7-878) УПРАВЛ-Е РАБОЧИМ ОБОРУДОВАНИЕМ

Схема запчастей Komatsu PC10-5 - ГИДР. НАСОС. (/)(№7-878) УПРАВЛ-Е РАБОЧИМ ОБОРУДОВАНИЕМ
FIT
1:1
100%

Артикул

Название

Примечание

Количество

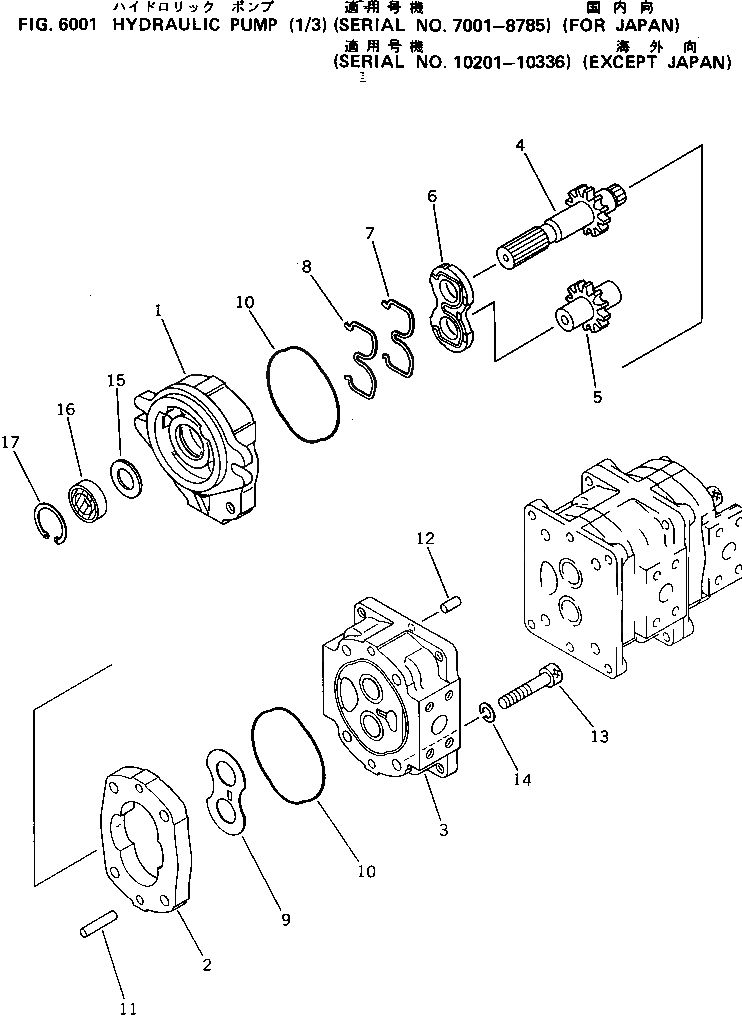
|1

705-86-14020

PUMP ASS'Y

|1

705-62-20230

PUMP ASS'Y

1

BRACKET ASS'Y

2

CASE

3

CARRIER ASS'Y

4

GEAR,DRIVE

5

GEAR,DRIVEN

6

705-67-01610

PLATE

7

705-17-01470

SEAL

8

705-67-01440

RING,BACK-UP

9

705-67-01620

PLATE

10

705-17-01381

O-RING

11

705-67-01920

PIN,DOWEL

12

705-67-01230

PIN,DOWEL

13

01252-31055

BOLT

14

01602-21030

WASHER,SPRING

15

705-17-01870

PLATE

16

704-17-01810

SEAL,OIL

17

04065-03515

RING,SNAP

Выбрано товаров: 19