Качественные детали и логистика
Оригинальные и аналоговые запчасти с доставкой по России, Казахстану и Беларуси
©2022 PartSell ООО "Система" ИНН 2463123282 ОГРН 1212400004838
Центральный офис: г. Красноярск, Академика Киренского, д.87, пом.4
Телефон: 8 (800) 777-65-74 Email: zakaz@partsell.ru
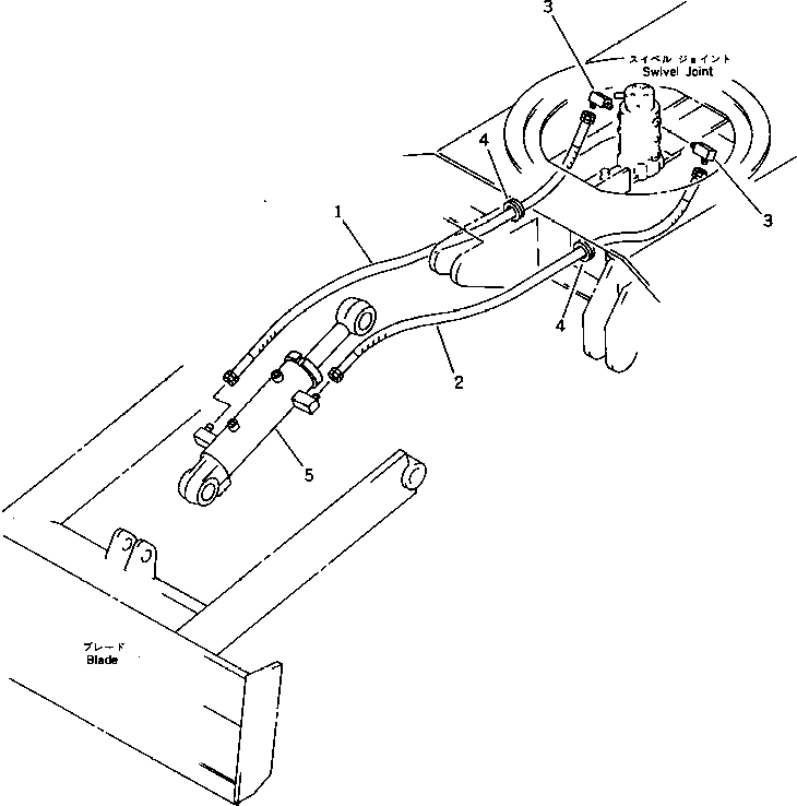
ГИДРОЛИНИЯ (ЦИЛИНДР ОТВАЛА ЛИНИЯ)(№-)
№
Артикул
Название
Примечание
Количество
G-1
20N-71-X6130
BLADE PIPING GROUP
1
20N-62-41190
HOSE
2
20N-62-41210
3
20N-62-41280
ELBOW
4
566-54-11340
GROMMET
Выбрано товаров: 0