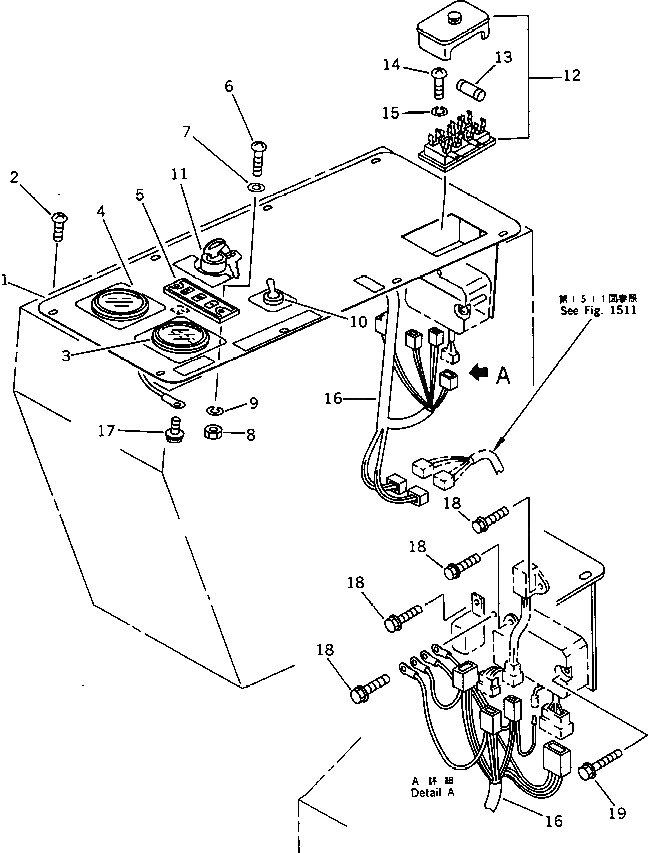
Запчасти Komatsu PC10-6 ЭЛЕКТРИКА (ПАНЕЛЬ ПРИБОРОВ) КОМПОНЕНТЫ ДВИГАТЕЛЯ И ЭЛЕКТРИКА

Схема запчастей Komatsu PC10-6 - ЭЛЕКТРИКА (ПАНЕЛЬ ПРИБОРОВ) КОМПОНЕНТЫ ДВИГАТЕЛЯ И ЭЛЕКТРИКА
FIT
1:1
100%

Артикул

Название

Примечание

Количество

1

20N-06-41510

PANEL

2

20N-06-41130

SCREW

3

20N-06-41580

METER,SERVICE

4

130-06-B1171

GAUGE,WATER TEMPERATURE

5

20N-06-41550

LAMP

6

01220-40516

SCREW

7

01641-20508

WASHER

8

01580-10504

NUT

9

01601-20513

WASHER,SPRING

10

20N-06-11120

SWITCH,LAMP

11

20S-06-31130

STARTING SWITCH,STARTING

11

08086-20000

SWITCH,STARTING

12

20R-06-22210

BOX,FUSE

13

08040-02000

FUSE, 20A

14

01220-40520

SCREW

15

01601-20513

WASHER,SPRING

16

20N-06-41612

WIRE ASS'Y

17

01435-00610

BOLT

18

01435-00616

BOLT

19

01435-00625

BOLT

Выбрано товаров: 20