Запчасти Komatsu PC10-7 МАРКИРОВКА (JIS PATTERN) (ЯПОН.) (ДЛЯ КАБИНЫ)(№-98) МАРКИРОВКА

Схема запчастей Komatsu PC10-7 - МАРКИРОВКА (JIS PATTERN) (ЯПОН.) (ДЛЯ КАБИНЫ)(№-98) МАРКИРОВКА
FIT
1:1
100%

Артикул

Название

Примечание

Количество

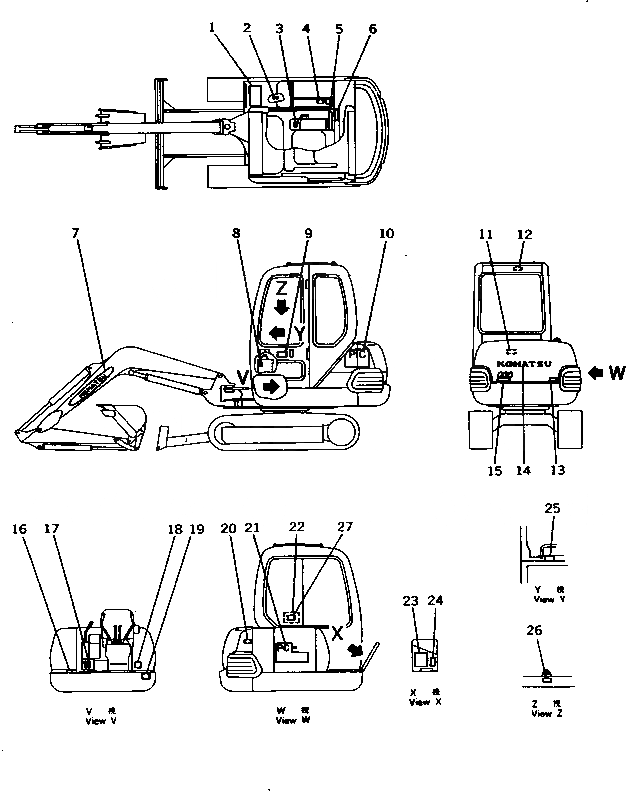
1

20P-54-71540

SEAT,NONSKID

2

20T-98-71370

PLATE¤ OPERATING,HOOD OPEN

3

20P-98-71130

PLATE¤ OPERATING,FUSE BOX

4

20T-98-71380

PLATE¤ CAUTION,FUEL TANK

5

362-54-38150

PLATE¤ OPERATING,STARTING SWITCH

6

20N-98-71310

PLATE¤ CAUTION,STARTING AND AFTER OPERATING

7

20P-98-71120

PLATE¤ MARK,KOMATSU

8

20N-98-71130

PLATE¤ OPERATING,LOCK LEVER

9

20T-98-71160

PLATE¤ MARK,AVANCE R

10

20N-98-71210

PLATE¤ MARK,PC10

11

20T-98-71410

PLATE¤ CAUTION,FUEL FILTER

12

205-00-63230

PLATE¤ CAUTION,AUTO LOCK

13

20T-98-71360

PLATE¤ CAUTION,HOOD OPEN

14

20P-98-71110

PLATE¤ MARK,KOMATSU

15

20T-98-71350

PLATE¤ CAUTION,KEEP OUT OF TURNING AREA

16

20T-98-71420

PLATE¤ CAUTION,GREASE

17

09685-00002

PLATE¤ OPERATING,SWING LOCK LEVER

18

20N-98-71322

PLATE¤ DATA

|18

20N-98-71321

PLATE¤ DATA

19

09601-00835

PLATE¤ NAME,(LIMITED SUPPLY)

|19

04418-13060

SCREW

20

09668-00100

PLATE¤ SAFETY,RADIATOR CAP

21

20N-98-71220

PLATE¤ MARK,PC10

22

20P-98-71560

PLATE¤ OPERATING,PATTERN

23

20N-98-71340

CHART¤ OIL

24

20T-98-71390

PLATE¤ CAUTION,HYDRAULIC TANK CAP

25

203-00-52190

PLATE¤ CAUTION,WIPER MOTOR CONNECTOR

26

205-00-71340

PLATE¤ OPERATING,DOOR LOCK

27

20N-98-71530

PLATE¤ OPERATING,(POWER TILT MECH.ANGLE BLADE)

Выбрано товаров: 29