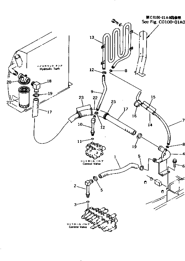
Запчасти Komatsu PC10-7 ГИДРОЛИНИЯ (МАСЛООХЛАДИТЕЛЬ И ВОЗВРАТ. ЛИНИЯ)(№-777) ГИДРАВЛИКА

Схема запчастей Komatsu PC10-7 - ГИДРОЛИНИЯ (МАСЛООХЛАДИТЕЛЬ И ВОЗВРАТ. ЛИНИЯ)(№-777) ГИДРАВЛИКА
FIT
1:1
100%

Артикул

Название

Примечание

Количество

1

07260-22636

HOSE

2

20N-62-72630

ELBOW

3

07002-12034

O-RING

4

20N-973-7150

TUBE

5

07281-00419

CLAMP

6

01435-00816

BOLT

7

07260-21480

HOSE

8

07281-00259

CLAMP

9

07260-21445

HOSE

10

20N-62-72640

ELBOW

11

07002-12034

O-RING

12

07281-00259

CLAMP

13

20N-62-72660

TUBE,OIL COOLER

14

20N-62-72670

SHEET

15

08034-00536

BAND

16

20N-06-71310

BAND

17

07261-23216

HOSE

18

20P-62-72340

ELBOW

19

07281-00489

CLAMP

|20

21U-60-11300

FILTER ASS'Y

20

21U-60-11310

HEAD

21

21U-60-11320

CARTRIDGE

22

20P-62-72380

SHEET

23

08034-00536

BAND

Выбрано товаров: 24