Запчасти Komatsu PC10-7 ГИДРОЛИНИЯ (МАСЛООХЛАДИТЕЛЬ И ВОЗВРАТ. ЛИНИЯ) (ДЛЯ НАВЕСН. ОБОРУДТРУБЫ)(№-777) ГИДРАВЛИКА

Схема запчастей Komatsu PC10-7 - ГИДРОЛИНИЯ (МАСЛООХЛАДИТЕЛЬ И ВОЗВРАТ. ЛИНИЯ) (ДЛЯ НАВЕСН. ОБОРУД ТРУБЫ)(№-777) ГИДРАВЛИКА
FIT
1:1
100%

Артикул

Название

Примечание

Количество

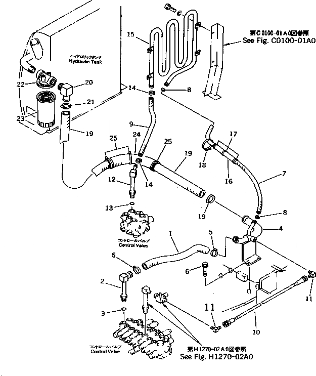
1

07260-22636

HOSE

2

20N-62-72630

ELBOW

3

07002-12034

O-RING

4

20N-973-7150

TUBE

5

07281-00419

CLAMP

6

01435-00816

BOLT

7

07260-21480

HOSE

8

07281-00259

CLAMP

9

07260-21445

HOSE

10

20N-973-7160

HOSE

11

20M-973-1730

ELBOW

12

20N-62-72640

ELBOW

13

07002-12034

O-RING

14

07281-00259

CLAMP

15

20N-62-72660

TUBE,OIL COOLER

16

20N-62-72670

SHEET

17

08034-00536

BAND

18

20N-06-71310

BAND

19

07261-23216

HOSE

20

20P-62-72340

ELBOW

21

07281-00489

CLAMP

|$21

21U-60-11300

FILTER ASS'Y

22

21U-60-11310

HEAD

23

21U-60-11320

CARTRIDGE

24

20P-62-72380

SHEET

25

08034-00536

BAND

Выбрано товаров: 0