Запчасти Komatsu PC10-7 ПРУЖИНА (ДЛЯ STEEL SHOE) ХОДОВАЯ

Схема запчастей Komatsu PC10-7 - ПРУЖИНА (ДЛЯ STEEL SHOE) ХОДОВАЯ
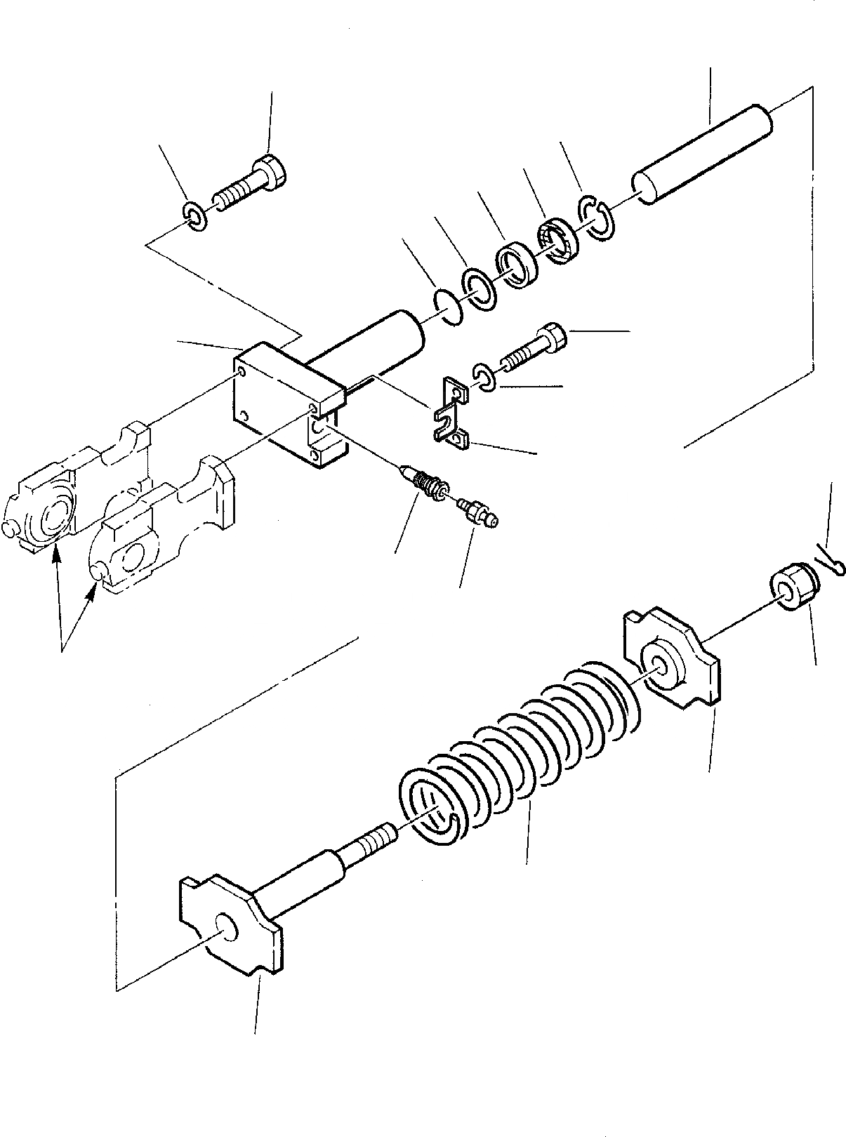
7
A
16
6
17
5
4
3
2
16
1
17
15
12
13
14
11
10
9
8
FIT
1:1
100%

Артикул

Название

Примечание

Количество

1

200514055

CYLINDER

2

855661403

O-RING

3

855080824

RING, WEAR

4

500256358

SPACER

5

855611153

GASKET

6

802250552

RING, SNAP

7

500327259

PISTON

8

3F1027603

PISTON ROD

9

804040015

SPRING

10

3F1027605

PLATE

11

801070025

NUT

12

802610088

PIN, COTTER

14

860010009

FITTING

15

500158818

PLATE

16

801015577

BOLT

17

802150512

SPRING WASHER

Выбрано товаров: 0