Запчасти Komatsu PC10-7 ПРАВ. РЫЧАГ БЛОКИРОВКИ (ДЛЯ НАВЕСА) СИСТЕМА УПРАВЛЕНИЯ И ОСНОВНАЯ РАМА

Схема запчастей Komatsu PC10-7 - ПРАВ. РЫЧАГ БЛОКИРОВКИ (ДЛЯ НАВЕСА) СИСТЕМА УПРАВЛЕНИЯ И ОСНОВНАЯ РАМА
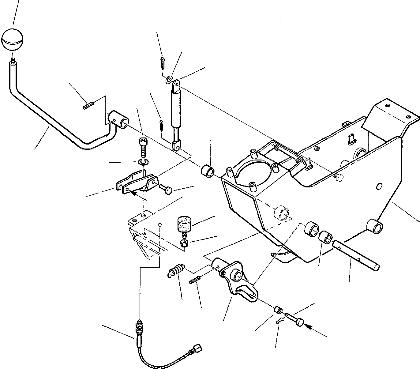
21
a
a
18
17
15
22
18
10
2
20
11
16
9
7
1
8
2
3
12
6
5
19
4
13
14
FIT
1:1
100%

Артикул

Название

Примечание

Количество

1

3F1042054

SUPPORT

2

805630029

BUSHING

3

3F1042625

PIN

4

3F1042068

LINK

5

802510222

PEG

6

500610566

SPRING

7

808000040

RUBBER

8

801703408

NUT

9

3F1042069

SUPPORT

10

801105544

SCREW

11

802170002

WASHER

12

390596033

PIN

13

306422667

BUSHING

14

802610040

PIN, COTTER

15

816213552

DAMPER

16

390596038

PIN

17

802170001

WASHER

18

802610040

PIN, COTTER

19

332212052

SWITCH

19

332212054

SWITCH

20

3F1042059

LEVER, R.H.

21

816213544

KNOB

22

802510222

PEG

Выбрано товаров: 23