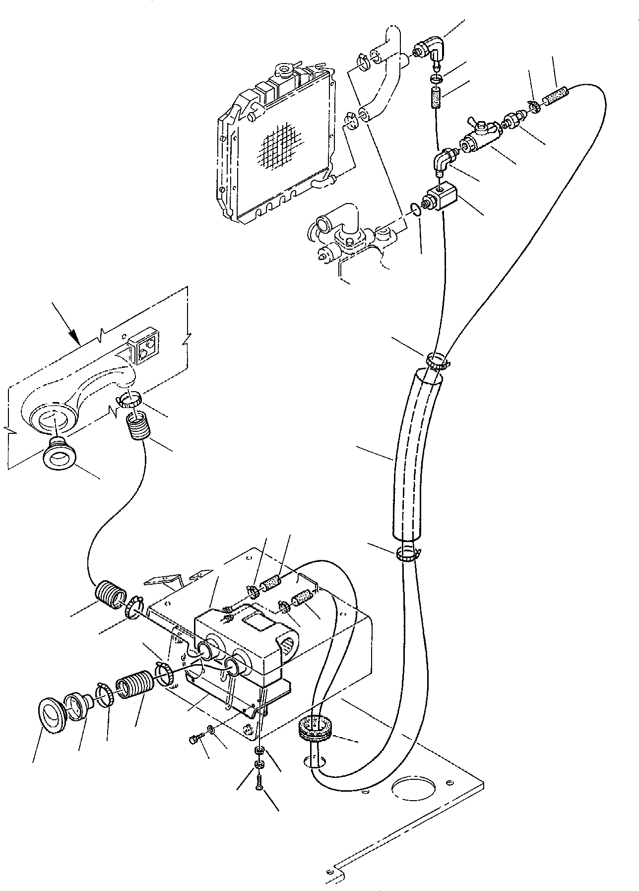
Запчасти Komatsu PC10-7 СИСТЕМА ПОДОГРЕВА ЧАСТИ КОРПУСА И КАБИНА

Схема запчастей Komatsu PC10-7 - СИСТЕМА ПОДОГРЕВА ЧАСТИ КОРПУСА И КАБИНА
13
22
A
9
10
10
8
14
15
16
17
18
12
24
11
23
25
8
10
12
4
23
9
10
24
24
1
19
20
24
3
21
2
7
6
5
FIT
1:1
100%

Артикул

Название

Примечание

Количество

1

306422720

SUPPORT

2

801015086

BOLT

3

802170001

WASHER

4

888011027

HEATER

5

801370080

SCREW

6

802120007

SPRING WASHER

7

802070006

WASHER

8

852951215

HOSE

9

852951212

HOSE

10

802660003

HOSE-CLAMP

11

3F0549605

PROTECTION

12

885180004

HOSE-CLAMP

13

500358515

ELBOW

14

500358628

UNION

15

816213954

COCK

16

390024007

ELBOW

17

3F1049051

UNION

18

855051615

O-RING

19

3F1049602

HOSE

20

885411049

GROMMET

21

888011024

REDUCTION

22

888011014

DIFFUSER

23

3F1049601

HOSE

24

802660012

CLAMP

25

816213913

STUB

Выбрано товаров: 25