Качественные детали и логистика
Оригинальные и аналоговые запчасти с доставкой по России, Казахстану и Беларуси
©2022 PartSell ООО "Система" ИНН 2463123282 ОГРН 1212400004838
Центральный офис: г. Красноярск, Академика Киренского, д.87, пом.4
Телефон: 8 (800) 777-65-74 Email: zakaz@partsell.ru
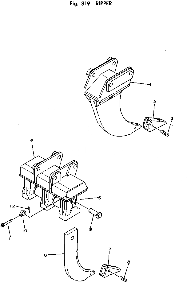
РЫХЛИТЕЛЬ
№
Артикул
Название
Примечание
Количество
|$1
202-950-0010
RIPPER ASS'Y,SINGLE SHANK
1
RIPPER
2
175-78-31230
POINT
3
09244-02508
PIN
|$6
202-951-0012
RIPPER ASS'Y,THREE SHANK
4
BRACKET
5
205-951-6120
HOLDER (WELDED)
|$9
205-951-0020
SHANK ASS'Y
6
SHANK
7
131-78-31190
8
09244-02489
9
205-951-6140
10
205-915-6150
COLLAR
11
205-951-6160
12
04050-04022
PIN,COTTER
Выбрано товаров: 0