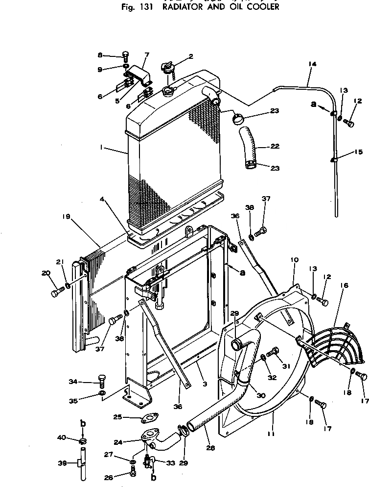
Запчасти Komatsu PC100-1 РАДИАТОР И МАСЛООХЛАДИТЕЛЬ КОМПОНЕНТЫ ДВИГАТЕЛЯ И ЭЛЕКТРИКА

Схема запчастей Komatsu PC100-1 - РАДИАТОР И МАСЛООХЛАДИТЕЛЬ КОМПОНЕНТЫ ДВИГАТЕЛЯ И ЭЛЕКТРИКА
FIT
1:1
100%

Артикул

Название

Примечание

Количество

|$0

203-03-00010

RADIATOR ASS'Y

1

203-03-21100

CORE ASS'Y

2

101-03-13141

CAP

3

203-03-31121

FRAME

4

203-03-21160

SEAT

5

205-03-51180

SEAT,RUBBER

6

110-03-11440

SHIM, 0.5MM

7

110-03-11420

CLAMP

8

01010-30816

BOLT

9

01602-00825

WASHER,SPRING

10

203-03-31281

SHROUD,UPPER

11

203-03-31290

SHROUD,LOWER

12

01010-31016

BOLT

13

01643-31032

WASHER

14

203-03-21180

TUBE

15

232-03-11210

CLIP

16

203-03-31143

GUARD,FAN

17

01010-31020

BOLT

18

01643-31032

WASHER

19

203-03-31110

COOLER,OIL

20

01010-31016

BOLT

21

01643-31032

WASHER

22

20D-03-11230

HOSE

23

07281-00709

CLAMP

24

203-03-31310

TUBE

25

110-03-11490

GASKET

26

01010-31230

BOLT

27

01643-31232

WASHER

28

20D-03-11220

HOSE

29

07281-00709

CLAMP

30

20D-03-11241

CLIP

31

01010-31220

BOLT

32

01643-31232

WASHER

33

07730-20004

VALVE,DRAIN

34

01010-31230

BOLT

35

01643-31232

WASHER

36

203-03-31272

STAY

36

203-03-31271

STAY

37

01010-31240

BOLT

37

01010-31235

BOLT

38

01643-31232

WASHER

39

07270-01517

TUBE

40

07280-01920

CLAMP

Выбрано товаров: 43