Запчасти Komatsu PC100-2 МАРКИРОВКА (PCSS) ОСНОВНАЯ РАМА И КАБИНА

Схема запчастей Komatsu PC100-2 - МАРКИРОВКА (PCSS) ОСНОВНАЯ РАМА И КАБИНА
FIT
1:1
100%

Артикул

Название

Примечание

Количество

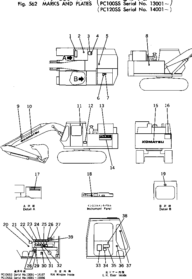
1

154-54-23260

SEAT

2

09669-00002

PLATE¤ CAUTION,FUEL

3

09669-00003

PLATE¤ CAUTION,HYDRAULIC OIL TANK

4

09653-00100

PLATE¤ SAFETY,HYDRAULIC TANK CAP

5

09667-00100

PLATE¤ SAFETY,ENGINE COVER

6

09650-01103

PLATE¤ INSTRUCTION,RADIATOR

7

09668-00100

PLATE¤ SAFETY,RADIATOR CAP

8

203-00-31120

PLATE¤ INSTRUCTION,HYDRAULIC OIL TANK

9

203-00-31210

PLATE¤ MARK,SYMBOL

10

203-00-31220

PLATE¤ NAME,KOMATSU

11

205-00-63770

PLATE

12

09602-01643

PLATE¤ NAME,(LIMITED SUPPLY)

|12

01220-60408

SCREW

|12

01601-20410

WASHER

13

202-00-85110

PLATE¤ MARK,PC100SS

14

203-00-86120

PLATE¤ MARK

15

205-00-63171

PLATE¤ MARK,KAMOATSU

16

09133-00100

PLATE¤ CAUTION,KEEP OUT OF TURNING AREA

17

203-00-31110

PLATE,FUEL TANK

18

09683-01060

PLATE¤ OPERATING,STARTING SWITCH

|18

175-98-31120

PLATE¤ OPERATING,STARTING SWITCH

19

205-00-63230

PLATE¤ CAUTION

20

09685-00003

PLATE¤ OPERATING,SAFETY LOCK LEVER

21

203-00-31320

PLATE¤ CAUTION

22

09649-00101

PLATE¤ INSTRUCTION,FUEL CONTROL LEVER

23

205-00-63250

PLATE¤ CAUTION

24

09173-00100

PLATE¤ SAFETY,INSPECTION AND MAINTENANCE

25

09651-00100

PLATE¤ SAFETY,OPERATING

26

205-00-63540

PLATE¤ CAUTION

27

205-00-52230

PLATE¤ SAFETY,MAIN SWITCH

28

175-98-31150

PLATE¤ OPERATING

29

202-00-85131

PLATE¤ SPECIFICATION

30

09685-00002

PLATE¤ OPERATING,SWING LOCK LEVER

31

203-00-31330

PLATE¤ OPERATING

32

09131-00100

PLATE¤ SAFETY,SWING LOCK

33

203-00-31140

CHART¤ OIL

34

203-00-21131

PLATE¤ SAFETY

35

203-00-21210

PLATE

36

09685-00004

PLATE¤ OPERATING,STARTING SWITCH

37

205-00-52192

PLATE¤ CAUTION

38

205-00-63310

PLATE,DOOR LOCK

39

203-00-31470

PLATE

Выбрано товаров: 42