Запчасти Komatsu PC100-2 ГИДР. НАСОС. (/) ГИДРАВЛИКА

Схема запчастей Komatsu PC100-2 - ГИДР. НАСОС. (/) ГИДРАВЛИКА
FIT
1:1
100%

Артикул

Название

Примечание

Количество

|1

705-58-34000

PUMP ASS'Y

|1

705-14-34330

PUMP ASS'Y

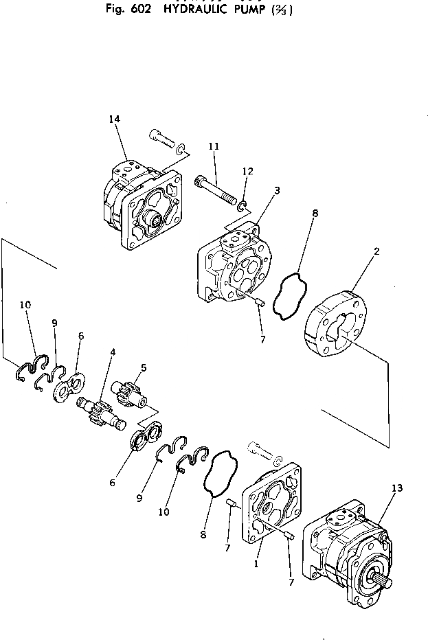
1

BRACKET

2

CASE

3

CARRIER

4

GEAR

5

GEAR

6

PLATE

7

PIN

8

O-RING

9

RING

10

SEAL

11

BOLT

12

WASHER

13

705-22-34210

PUMP ASS'Y

14

705-16-26530

PUMP ASS'Y

Выбрано товаров: 0