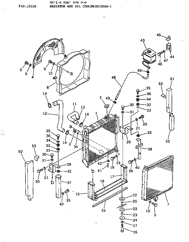
Запчасти Komatsu PC100-3 РАДИАТОР И МАСЛООХЛАДИТЕЛЬ(№-) КОМПОНЕНТЫ ДВИГАТЕЛЯ И ЭЛЕКТРИКА

Схема запчастей Komatsu PC100-3 - РАДИАТОР И МАСЛООХЛАДИТЕЛЬ(№-) КОМПОНЕНТЫ ДВИГАТЕЛЯ И ЭЛЕКТРИКА
FIT
1:1
100%

Артикул

Название

Примечание

Количество

|$0

203-03-00051

RADIATOR ASS'Y

1

203-03-41112

CORE ASS'Y

2

203-03-41280

CAP

3

205-03-62660

PLUG

3A

07000-01007

O-RING

4

203-03-41141

GUARD

5

01010-51020

BOLT

6

01643-31032

WASHER

7

203-03-41380

OIL COOLER ASS'Y

8

203-03-41132

SHROUD

9

01010-50816

BOLT

10

01643-30823

WASHER

11

203-03-41212

HOSE

12

203-03-41224

HOSE

13

07281-00489

CLAMP

14

07281-00609

CLAMP

15

203-03-41391

BRACKET

16

203-03-41490

SHEET

17

203-03-41520

SHEET

18

01010-51020

BOLT

19

01643-31032

WASHER

20

01010-50820

BOLT

21

01602-20825

WASHER,SPRING

22

205-03-62680

CUSHION

23

205-03-71330

COLLAR

24

205-03-71340

PLATE

25

07000-03022

O-RING

26

01010-51270

BOLT

27

01643-31232

WASHER

28

203-03-41422

BRACKET

29

203-03-41432

BRACKET

30

01010-51020

BOLT

31

01643-31032

WASHER

32

203-62-42770

CUSHION

33

07000-03025

O-RING

34

203-03-41570

COLLAR

35

01010-51250

BOLT

36

01643-31232

WASHER

37

203-03-41351

BRACKET

38

203-03-41342

BRACKET

39

01010-51025

BOLT

40

01643-31032

WASHER

41

203-03-41411

HOSE

42

07280-01010

CLAMP

43

203-03-41580

TANK

43

203-03-41640

CAP

44

203-03-41620

BRACKET

45

203-03-41630

PLATE

46

01010-50616

BOLT

47

01643-30623

WASHER

48

203-03-41261

HOSE

49

07280-01210

CLAMP

50

203-03-41451

SHEET

51

203-03-41461

SHEET

52

203-03-41471

SHEET

53

203-03-41480

SHEET

54

203-03-41510

SHEET

Выбрано товаров: 0