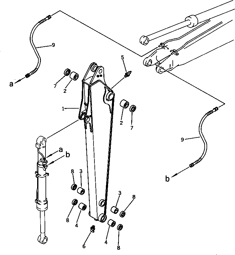
Запчасти Komatsu PC100-3 КОРОТК. РУКОЯТЬ РАБОЧЕЕ ОБОРУДОВАНИЕ

Схема запчастей Komatsu PC100-3 - КОРОТК. РУКОЯТЬ РАБОЧЕЕ ОБОРУДОВАНИЕ
FIT
1:1
100%

Артикул

Название

Примечание

Количество

|$0

20D-70-00022

ARM ASS'Y

|$1

20D-70-00021

ARM ASS'Y

|$2

20D-70-00020

ARM ASS'Y

1

ARM

2

203-70-32142

BUSHING

2

203-70-32141

BUSHING

3

203-70-33150

BUSHING

4

203-70-42181

BUSHING

4

203-70-42180

BUSHING

4

203-70-33181

BUSHING

5

07020-00900

FITTING,GREASE

6

07020-00000

FITTING,GREASE

7

07145-00070

SEAL,DUST

8

203-70-33210

SEAL,DUST

9

07121-20411

HOSE

9

07121-20511

HOSE

Выбрано товаров: 16