Качественные детали и логистика
Оригинальные и аналоговые запчасти с доставкой по России, Казахстану и Беларуси
©2022 PartSell ООО "Система" ИНН 2463123282 ОГРН 1212400004838
Центральный офис: г. Красноярск, Академика Киренского, д.87, пом.4
Телефон: 8 (800) 777-65-74 Email: zakaz@partsell.ru
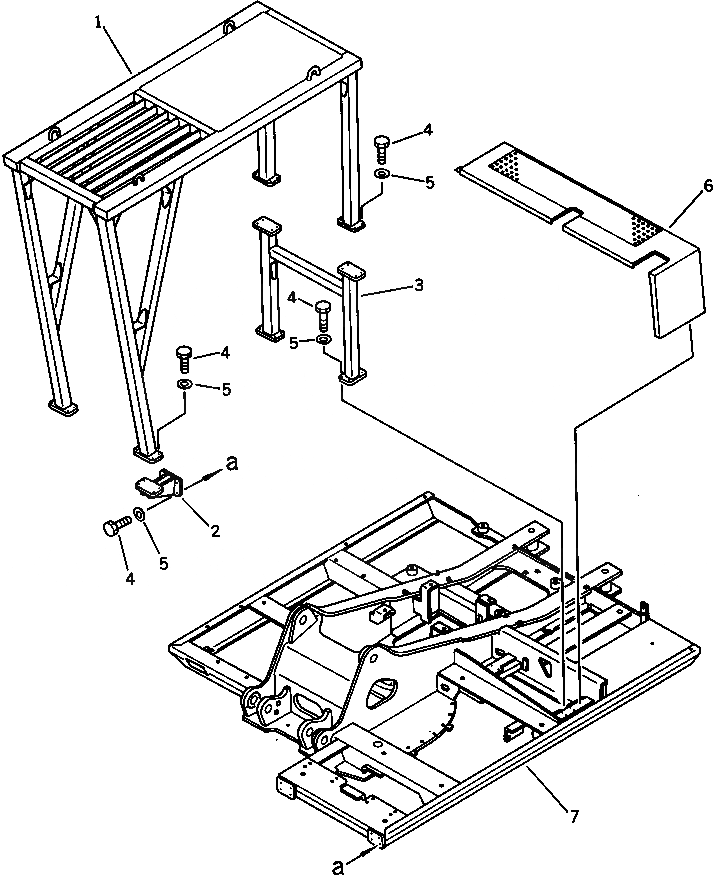
FALLING OBJECTIVE ЗАЩИТАIVE STRUCTURE
№
Артикул
Название
Примечание
Количество
1
205-956-1110
GUARD
2
203-956-4120
BRACKET
3
203-956-4110
4
01010-51640
BOLT
5
01643-31645
WASHER
6
203-54-42930
COVER
7
203-46-41370
FRAME,REVOLVING
Выбрано товаров: 0