Запчасти Komatsu PC100-3 FALLING OBJECTIVE ЗАЩИТАIVE STRUCTURE ОПЦИОННЫЕ КОМПОНЕНТЫ

Схема запчастей Komatsu PC100-3 - FALLING OBJECTIVE ЗАЩИТАIVE STRUCTURE ОПЦИОННЫЕ КОМПОНЕНТЫ
FIT
1:1
100%

Артикул

Название

Примечание

Количество

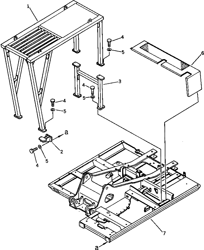
1

205-956-1110

GUARD

2

203-956-4120

BRACKET

3

203-956-4110

GUARD

4

01010-51640

BOLT

5

01643-31645

WASHER

6

203-54-42930

COVER

7

203-46-41370

FRAME,REVOLVING

Выбрано товаров: 0