Запчасти Komatsu PC100-3 CAR ЛИНИЯ ОХЛАЖДЕНИЯ (/) (ДЛЯ УДЛИНН. РЫЧАГ УПРАВЛ-Е) ОПЦИОННЫЕ КОМПОНЕНТЫ

Схема запчастей Komatsu PC100-3 - CAR ЛИНИЯ ОХЛАЖДЕНИЯ (/) (ДЛЯ УДЛИНН. РЫЧАГ УПРАВЛ-Е) ОПЦИОННЫЕ КОМПОНЕНТЫ
FIT
1:1
100%

Артикул

Название

Примечание

Количество

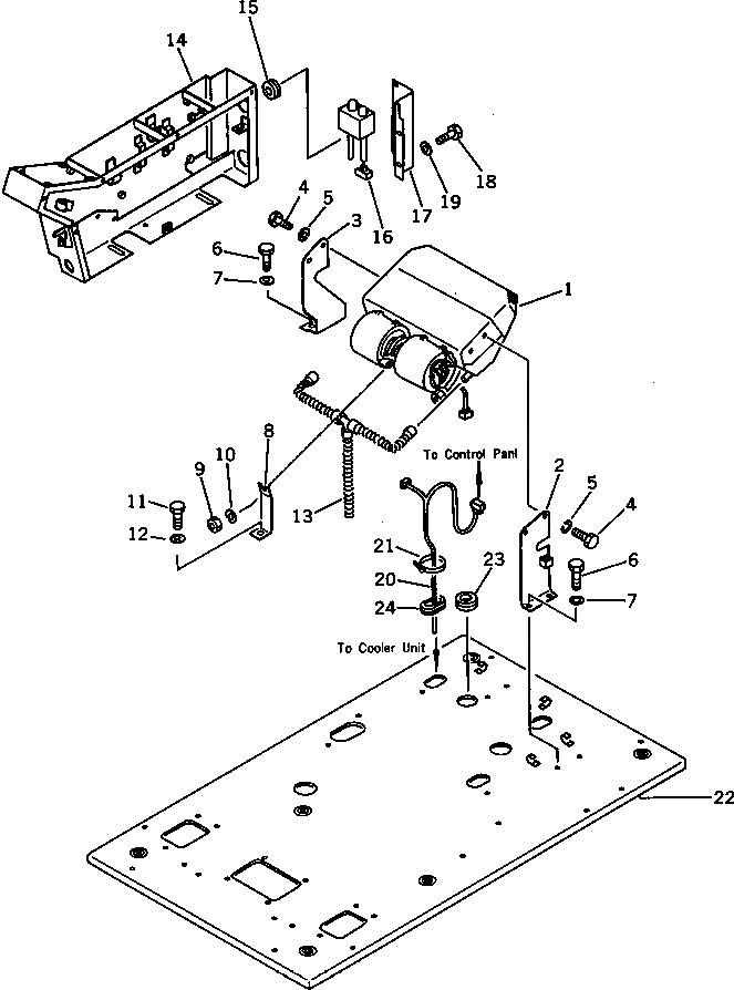
1

205-981-5110

COOLING UNIT

2

203-978-4211

PLATE,L.H.

3

203-978-4191

PLATE,R.H.

4

01010-50825

BOLT

5

01602-20825

WASHER,SPRING

6

01010-51225

BOLT

7

01643-31232

WASHER

8

203-978-4121

PLATE

9

01580-10806

NUT

10

01602-20825

WASHER,SPRING

11

01010-51225

BOLT

12

01643-31232

WASHER

13

203-978-4380

HOSE,DRAIN

14

203-978-4420

BOX,R.H.

15

08037-03614

GROMMET

16

205-981-5150

PANEL ASS'Y

17

203-978-4271

BRACKET

18

01010-50812

BOLT

19

01643-30823

WASHER

20

203-978-4261

WIRE ASS'Y

21

08034-00519

BAND

22

203-978-4241

FRAME,FLOOR

23

08037-03614

GROMMET

24

176-911-4160

GROMMET

Выбрано товаров: 24