Запчасти Komatsu PC100-3 MACHINERY ОБСТАНОВКА (/)(№8-.) СПЕЦ. APPLICATION ЧАСТИ¤ МАРКИРОВКА¤ ИНСТРУМЕНТ И РЕМКОМПЛЕКТЫ

Схема запчастей Komatsu PC100-3 - MACHINERY ОБСТАНОВКА (/)(№8-.) СПЕЦ. APPLICATION ЧАСТИ¤ МАРКИРОВКА¤ ИНСТРУМЕНТ И РЕМКОМПЛЕКТЫ
FIT
1:1
100%

Артикул

Название

Примечание

Количество

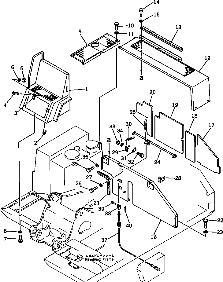
|1

203-54-00321

COVER ASS'Y

|1

203-54-00320

COVER ASS'Y

1

COVER

|1

COVER

2

09467-00002

SPRING

3

362-54-14880

HOLDER

4

01220-40410

SCREW

5

01580-10403

NUT

6

01601-20410

WASHER,SPRING

7

01010-51025

BOLT

8

01643-31032

WASHER

9

203-54-42821

COVER

|9

203-54-42820

COVER

10

01010-51020

BOLT

11

01643-31032

WASHER

12

203-54-42363

COVER

|12

203-54-42362

COVER

13

203-54-42850

TRIM

14

01010-51020

BOLT

15

01643-31032

WASHER

16

203-54-44610

COVER ASS'Y

17

203-54-44530

COVER

18

203-54-44540

SHEET

19

203-54-44550

COVER

20

203-54-44560

SHEET

21

203-54-42840

TRIM

22

01010-51025

BOLT

23

01643-31032

WASHER

24

203-54-42331

LEVER

25

203-54-42661

SPRING

26

01010-51020

BOLT

27

01643-31032

WASHER

28

203-54-42290

BRACKET,L.H.

29

203-54-42310

BRACKET,R.H.

30

203-54-42340

SPRING

31

203-54-42320

LEVER

32

20T-54-26310

BOLT

33

01580-11210

NUT

34

01643-31232

WASHER

35

01010-51020

BOLT

36

01643-31032

WASHER

37

203-54-42561

CABLE,(L=2700)

38

04211-20500

YOKE

39

04205-10514

PIN

40

04050-11210

PIN,COTTER

Выбрано товаров: 45