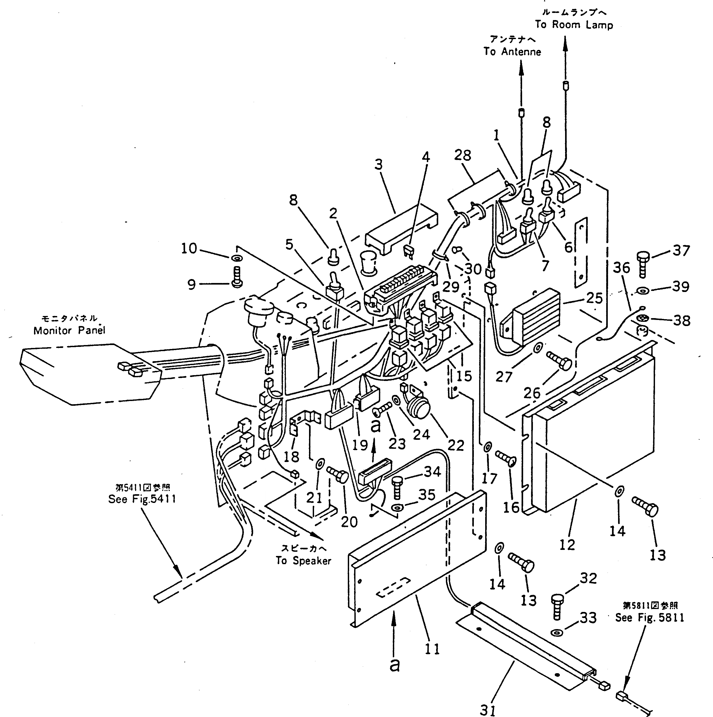
Запчасти Komatsu PC100-5 ЭЛЕКТРИКА (ЛИНИЯ ПАНЕЛИ ПРИБОРОВ)(ДЛЯ УДЛИНН. РЫЧАГ УПРАВЛ-Е)(№8-) КОМПОНЕНТЫ ДВИГАТЕЛЯ И ЭЛЕКТРИКА

Схема запчастей Komatsu PC100-5 - ЭЛЕКТРИКА (ЛИНИЯ ПАНЕЛИ ПРИБОРОВ)            (ДЛЯ УДЛИНН. РЫЧАГ УПРАВЛ-Е)(№8-) КОМПОНЕНТЫ ДВИГАТЕЛЯ И ЭЛЕКТРИКА
FIT
1:1
100%

Артикул

Название

Примечание

Количество

1

203-06-57131

WIRE ASS'Y

|1

22W-06-13590

DIODE

2

195-Z11-2280

BODY,FUSE BOX

3

195-Z11-2290

COVER,FUSE BOX

4

22W-06-13150

FUSE¤ 5A

|4

283-06-16190

FUSE¤ 10A

|4

205-06-73180

FUSE¤ 15A

5

203-06-56520

SWITCH,SWING LOCK

6

203-06-41570

SWITCH,SWING PROLIX

7

203-06-56520

SWITCH,T.V.C. PROLIX

8

203-06-41680

CAP

9

01220-40620

SCREW

10

01642-20608

WASHER

11

7824-30-1100

CONTROL BOX ASS'Y,GOVERNOR

12

7824-10-2000

CONTROL BOX ASS'Y,PUMP

13

01010-51020

BOLT

14

01643-31032

WASHER

15

22W-06-13450

RELAY ASS'Y

16

01220-40610

SCREW

17

01642-20608

WASHER

18

08053-16212

CLIP

19

08053-15012

CLIP

20

01010-51016

BOLT

21

01643-31032

WASHER

22

203-06-56230

BUZZER ASS'Y

23

01220-40616

SCREW

24

01642-20608

WASHER

25

7824-10-2400

RESISTOR

26

01010-50820

BOLT

27

01643-30823

WASHER

28

08034-00519

BAND

29

08034-00414

BAND

30

203-06-56510

CLIP

31

203-06-56251

COVER

32

01010-51020

BOLT

33

01643-31032

WASHER

34

01010-50816

BOLT

35

01643-30823

WASHER

36

20Y-06-11940

WIRING HARNESS

37

01010-50816

BOLT

38

01605-10818

WASHER

39

01643-30823

WASHER

Выбрано товаров: 42