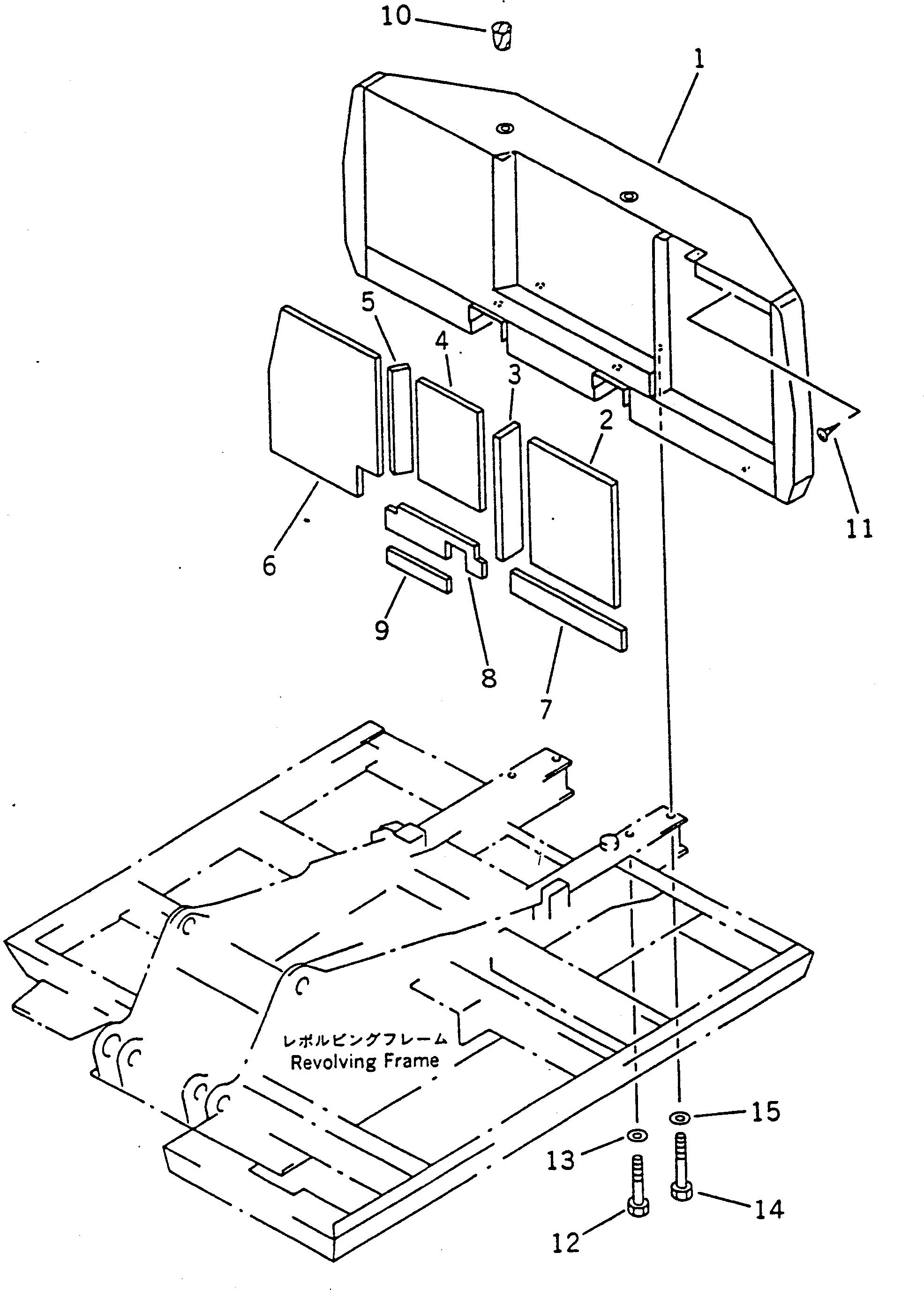
Запчасти Komatsu PC100-5 ПРОТИВОВЕС(№8-) СИСТЕМА УПРАВЛЕНИЯ И ОСНОВНАЯ РАМА

Схема запчастей Komatsu PC100-5 - ПРОТИВОВЕС(№8-) СИСТЕМА УПРАВЛЕНИЯ И ОСНОВНАЯ РАМА
FIT
1:1
100%

Артикул

Название

Примечание

Количество

1

202-46-61223

WEIGHT,COUNTER

2

203-46-56180

SHEET

3

203-46-56250

SHEET

4

203-46-56290

SHEET

5

203-46-56320

SHEET

6

203-46-56240

SHEET

7

203-46-56330

SHEET

8

203-46-56170

SHEET

9

203-46-56340

SHEET

10

07049-03645

PLUG

11

01370-00508

SCREW

12

203-46-51220

BOLT

13

01643-33080

WASHER

14

203-46-51250

BOLT

15

01643-33080

WASHER

Выбрано товаров: 0