Запчасти Komatsu PC100-5S ГИДР. НАСОС. (НАСОС SUB В СБОРЕ /) (/) УПРАВЛ-Е РАБОЧИМ ОБОРУДОВАНИЕМ

Схема запчастей Komatsu PC100-5S - ГИДР. НАСОС. (НАСОС SUB В СБОРЕ /) (/) УПРАВЛ-Е РАБОЧИМ ОБОРУДОВАНИЕМ
FIT
1:1
100%

Артикул

Название

Примечание

Количество

|1

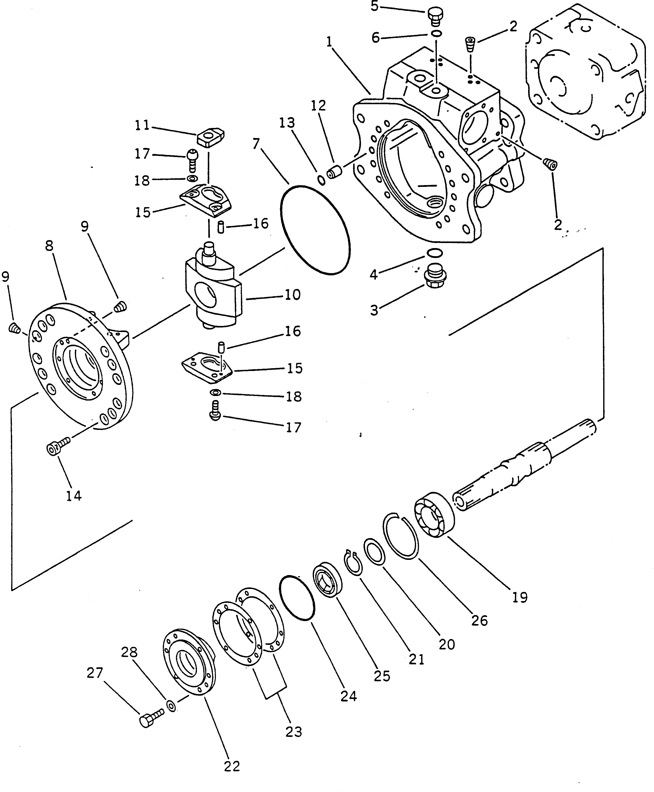
708-23-04014

PUMP ASS'Y,HYDRAULIC (HPV55+55)

|1

708-23-04113

PUMP SUB ASS'Y,HYDRAULIC

|1

708-23-00340

CASE ASS'Y,FRONT

1

CASE,FRONT

2

PLUG

3

07044-12412

PLUG

4

07002-02434

O-RING

5

720-68-19870

PLUG

6

07002-01223

O-RING

7

706-73-42370

O-RING

|8

708-23-00360

CRADLE ASS'Y,FRONT

|8

708-23-00630

CRADLE SUB ASS'Y,FRONT

8

CRADLE,FRONT

9

PLUG

10

708-23-13410

CAM,ROCKER

11

708-23-14120

SLIDER

12

708-23-12330

JOINT

13

07000-12015

O-RING

14

708-25-12350

BOLT

15

708-23-12340

PLATE

16

708-23-12370

PIN

17

708-23-12350

SCREW

18

01643-30823

WASHER

19

708-23-12751

BEARING

20

708-23-05011

WASHER KIT

|20

WASHER¤ 2.60MM

|20

WASHER¤ 2.70MM

|20

WASHER¤ 2.80MM

|20

WASHER¤ 2.50MM

21

708-23-12840

RING,SNAP

22

708-23-12852

HOUSING

23

708-23-05130

SHIM KIT

|23

SHIM

|23

SHIM

24

07000-02065

O-RING

25

708-8D-12220

SEAL,OIL

26

708-23-12660

RING

27

01010-30616

BOLT

28

01643-30623

WASHER

Выбрано товаров: 39