Запчасти Komatsu PC100-5Z ПАНЕЛЬ ПРИБОРОВ КОМПОНЕНТЫ ДВИГАТЕЛЯ И ЭЛЕКТРИКА

Схема запчастей Komatsu PC100-5Z - ПАНЕЛЬ ПРИБОРОВ КОМПОНЕНТЫ ДВИГАТЕЛЯ И ЭЛЕКТРИКА
FIT
1:1
100%

Артикул

Название

Примечание

Количество

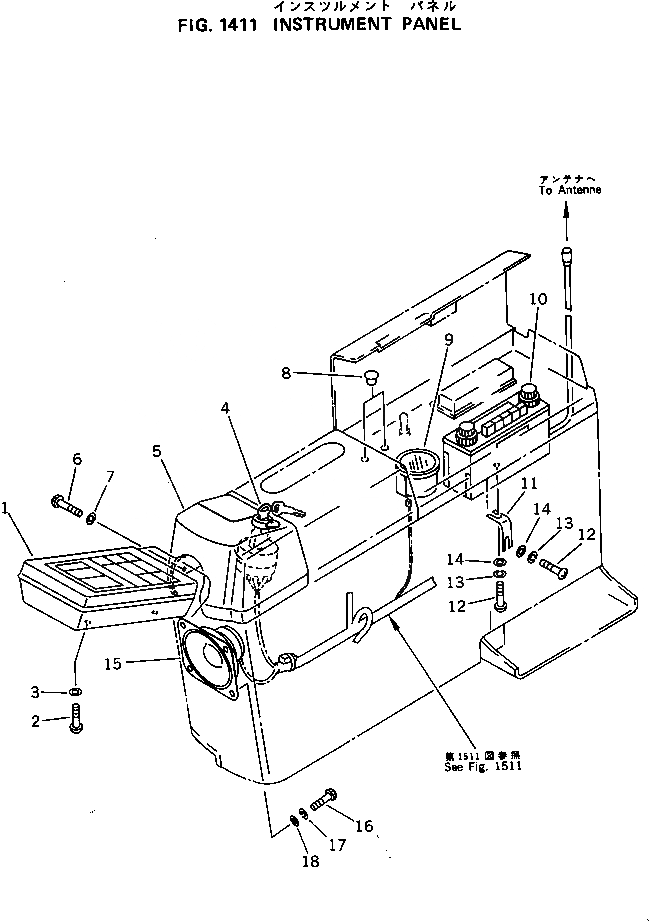
1

7824-70-4000

PANEL,(SEE FIG.1601)

2

01220-70616

SCREW

3

01643-70623

WASHER

4

08086-20000

SWITCH,STARTING

5

20Y-54-19530

COVER

6

01220-40616

SCREW

7

01642-20608

WASHER

8

203-06-56530

PLUG

9

203-06-56240

SERVICE METER ASS'Y

10

205-06-72510

RADIO ASS'Y

11

203-06-53470

BRACKET

12

01220-40512

SCREW

13

01601-20513

WASHER,SPRING

14

01642-20508

WASHER

15

08910-10000

SPEAKER

16

01220-40408

SCREW

17

01601-20410

WASHER,SPRING

18

01642-20405

WASHER

Выбрано товаров: 18