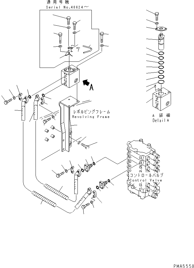
Запчасти Komatsu PC100-6 НАВЕСНОЕ ОБОРУД-Е (ОСНОВН. КЛАПАН ТРУБЫ И ИЗМЕНЯЕМ. КЛАПАН)(№-999) ГИДРАВЛИКА

Схема запчастей Komatsu PC100-6 - НАВЕСНОЕ ОБОРУД-Е (ОСНОВН. КЛАПАН ТРУБЫ И ИЗМЕНЯЕМ. КЛАПАН)(№-999) ГИДРАВЛИКА
1
1
2
2
3
4
5
5
6
7
8
9
10
11
11
12
13
14
15
15
16
16
17
17
18
19
20
21
21
22
23
23
23
24
25
26
27
28
29
30
31
31
32
32
33
34
34
35
35
36
37
38
FIT
1:1
100%

Артикул

Название

Примечание

Количество

1

21K-62-34310

FLANGE

2

07002-12434

O-RING

3

203-62-65311

HOSE, 800MM

4

203-62-32440

COVER

5

07000-13025

O-RING

6

07371-30640

FLANGE,SPLIT

7

07372-21035

BOLT

8

01643-51032

WASHER

9

203-62-65331

HOSE, 820MM

10

203-62-32440

COVER

11

07000-13025

O-RING

12

07371-30640

FLANGE,SPLIT

13

07372-21035

BOLT

14

01643-51032

WASHER

15

07371-30640

FLANGE,SPLIT

16

07372-21035

BOLT

17

01643-51032

WASHER

|$21

203-62-65101

VALVE ASS'Y

18

01010-51025

BOLT

19

01643-31032

WASHER

20

04025-00412

PIN

21

07000-13042

O-RING

22

07000-13048

O-RING

23

07001-03042

RING

24

07001-03048

RING

25

BLOCK

26

ROTOR

27

20Y-970-3350

FLANGE

28

203-62-65570

PLATE

29

203-62-65580

BAR

30

20B-54-12210

SPRING

31

01220-40406

SCREW

32

01641-20405

WASHER

33

04052-10833

PIN

34

01011-51275

BOLT

35

01643-31232

WASHER

36

203-62-65162

BRACKET

37

01010-51230

BOLT

38

01643-31232

WASHER

Выбрано товаров: 39