Запчасти Komatsu PC100-6 КОНДИЦ. ВОЗДУХА (FREON ТРУБЫ КРЕПЛЕНИЕ)(№8-) КАБИНА ОПЕРАТОРА И СИСТЕМА УПРАВЛЕНИЯ

Схема запчастей Komatsu PC100-6 - КОНДИЦ. ВОЗДУХА (FREON ТРУБЫ КРЕПЛЕНИЕ)(№8-) КАБИНА ОПЕРАТОРА И СИСТЕМА УПРАВЛЕНИЯ
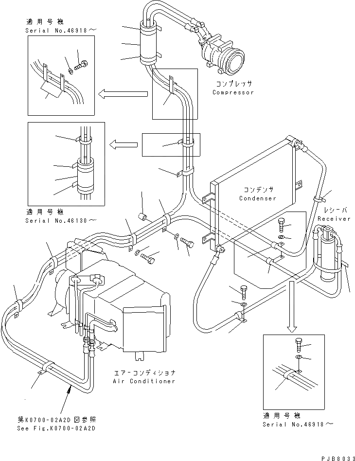
1
1
1
1
1
1
1
1
2
3
4
4
4
4
5
5
5
5
6
7
8
9
10
11
11
12
13
13
13
14
15
16
17
18
18
FIT
1:1
100%

Артикул

Название

Примечание

Количество

1

04435-51912

CLIP

1

04435-51912

CLIP

2

04434-51512

CLIP

3

21T-68-11320

CLIP

4

01010-81220

BOLT

4

01010-81220

BOLT

5

01643-31232

WASHER

5

01643-31232

WASHER

6

04435-52112

CLIP

6

04435-51912

CLIP

7

195-33-11220

SPACER

8

01010-81245

BOLT

9

01643-31232

WASHER

10

205-62-53780

COVER

10

21K-62-35160

COVER

11

08034-00536

BAND

12

08034-00823

BAND

12

08034-00823

BAND

13

08034-00536

BAND

13

08034-00536

BAND

14

04434-51612

CLIP

15

01010-81220

BOLT

16

01643-31232

WASHER

17

205-62-53780

COVER

18

08034-00536

BAND

Выбрано товаров: 0