Качественные детали и логистика
Оригинальные и аналоговые запчасти с доставкой по России, Казахстану и Беларуси
©2022 PartSell ООО "Система" ИНН 2463123282 ОГРН 1212400004838
Центральный офис: г. Красноярск, Академика Киренского, д.87, пом.4
Телефон: 8 (800) 777-65-74 Email: zakaz@partsell.ru
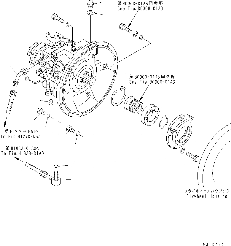
ОСНОВН. НАСОС (НАСОС¤ НАПОЛНИТЕЛЬ И СОЕДИНЕНИЕ)(№8-)
№
Артикул
Название
Примечание
Количество
1
07049-00811
PLUG
2
07030-03034
BREATHER
3
07005-03016
GASKET
4
07040-12412
5
07002-02434
O-RING
6
07040-11209
7
07002-11223
8
20Y-62-23461
ELBOW
9
07002-01423
10
203-62-66310
Выбрано товаров: 0