Запчасти Komatsu PC100-6 ЦИЛИНДР СТРЕЛЫ(№-) ОСНОВН. КОМПОНЕНТЫ И РЕМКОМПЛЕКТЫ

Схема запчастей Komatsu PC100-6 - ЦИЛИНДР СТРЕЛЫ(№-) ОСНОВН. КОМПОНЕНТЫ И РЕМКОМПЛЕКТЫ
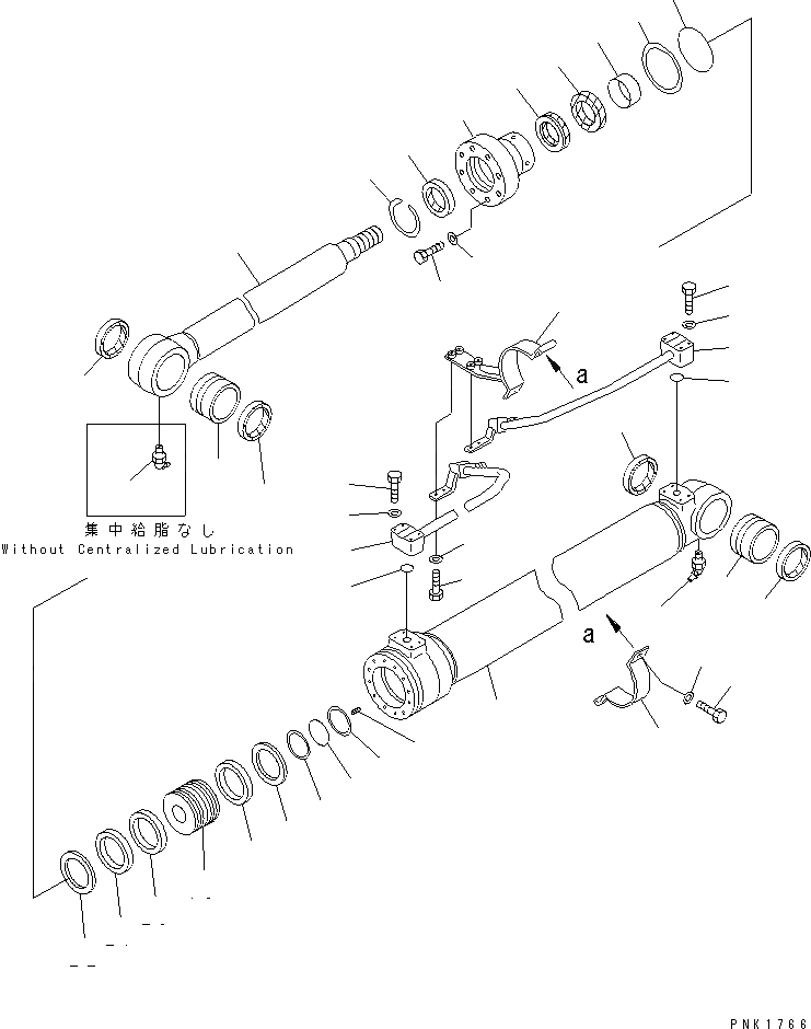
1
2
3
3
4
5
6
7
8
9
10
11
12
13
14
15
16
17
17
18
19
20
21
21
22
22
23
24
25
25
26
27
28
28
29
29
30
30
31
32
33
34
35
36
FIT
1:1
100%

Артикул

Название

Примечание

Количество

G1

202-63-X9010

CYLINDER GROUP,(L.H.)

G1

202-63-X2700

CYLINDER GROUP,(L.H.)

G2

202-63-X9020

CYLINDER GROUP,(R.H.)

G2

202-63-X2710

CYLINDER GROUP,(R.H.)

|1

202-63-02700

CYLINDER ASS'Y,BOOM

1

202-63-55140

CYLINDER

2

707-76-70230

BUSHING

3

07145-00070

SEAL,DUST (KIT)

4

07020-00675

FITTING,GREASE

5

707-27-95921

HEAD,CYLINDER

6

707-52-90420

BUSHING

7

707-51-65030

PACKING,ROD (KIT)

8

707-51-65630

RING,BUFFER (KIT)

9

07000-15085

O-RING (KIT)

10

707-35-90970

RING,BACK-UP (KIT)

11

144-63-92170

SEAL,DUST (KIT)

12

07179-12079

RING,SNAP

13

01010-81465

BOLT

14

705-17-04980

WASHER

15

202-63-55120

ROD

16

707-76-70230

BUSHING

17

07145-00070

SEAL,DUST (KIT)

18

07020-00675

FITTING,GREASE

19

707-36-95531

PISTON

20

707-44-95180

RING,PISTON (KIT)

21

707-39-95120

RING,WEAR (KIT)

22

707-44-95911

RING

23

01310-01016

SCREW

24

707-34-55020

O-RING (KIT)

25

707-35-90610

RING,BACK-UP (KIT)

26

202-63-55170

TUBE,L.H.

|26

202-63-55270

TUBE,R.H.

27

202-63-54380

TUBE,L.H.

|27

202-63-54480

TUBE,R.H.

28

07000-13025

O-RING (KIT)

29

01010-80850

BOLT

30

01643-50823

WASHER

31

707-88-96950

BAND

32

707-88-95480

BRACKET

33

01010-81035

BOLT

34

01643-51032

WASHER

35

01010-81030

BOLT

36

01643-31032

WASHER

|K

707-98-36250

SERVICE KIT

Выбрано товаров: 44