Запчасти Komatsu PC100-6E ОСНОВН. НАСОС (/)(№7-999) ОСНОВН. КОМПОНЕНТЫ И РЕМКОМПЛЕКТЫ

Схема запчастей Komatsu PC100-6E - ОСНОВН. НАСОС (/)(№7-999) ОСНОВН. КОМПОНЕНТЫ И РЕМКОМПЛЕКТЫ
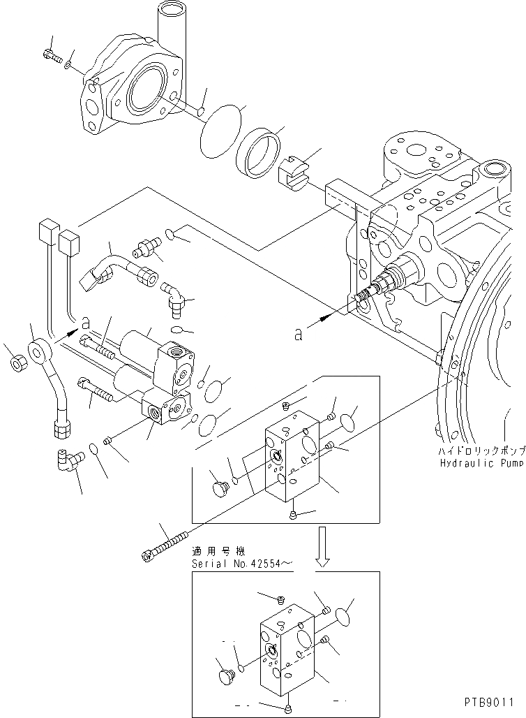
1
2
3
4
5
6
7
7
8
9
9
9
9
10
11
12
13
14
14
15
16
17
18
19
20
21
22
22
23
23
24
25
26
27
28
28
28
28
29
30
31
FIT
1:1
100%

Артикул

Название

Примечание

Количество

|1

708-1L-00431

PUMP ASS'Y

|1

708-1L-00430

PUMP ASS'Y

1

01010-81085

BOLT

|1

01010-81080

BOLT

2

01643-51032

WASHER

3

07000-02070

O-RING

4

07000-02018

O-RING

5

708-2L-29140

COUPLING

6

708-2L-29211

COLLAR

7

702-21-07010

VALVE ASS'Y

|8

708-2L-04171

BLOCK ASS'Y

8

BLOCK

9

PLUG

10

709-32-11760

O-RING

11

07040-11007

PLUG

12

07002-11023

O-RING

13

01252-60865

BOLT

14

203-60-62220

BOLT

15

07235-10210

ELBOW

16

708-2L-23950

O-RING

|16

07002-01423

O-RING

17

07230-20210

UNION

18

708-2L-23950

O-RING

|18

07002-01423

O-RING

19

01582-11008

NUT

20

708-1L-29310

HOSE

21

708-2L-29410

HOSE

22

708-2L-23960

O-RING

|22

700-93-11320

O-RING

23

07000-B2011

O-RING

|23

07000-02011

O-RING

24

708-1L-29330

ELBOW

25

708-2L-23950

O-RING

|25

07002-11423

O-RING

26

708-1L-29340

ORIFICE

|27

708-2L-04290

BLOCK ASS'Y

27

BLOCK

28

PLUG

29

708-2L-23970

O-RING

30

07040-11007

PLUG

31

708-2L-23920

O-RING

Выбрано товаров: 41