Запчасти Komatsu PC100-6E УПРАВЛ-Е ПОДАЧ. ТОПЛИВА(№7-) КОМПОНЕНТЫ ДВИГАТЕЛЯ

Схема запчастей Komatsu PC100-6E - УПРАВЛ-Е ПОДАЧ. ТОПЛИВА(№7-) КОМПОНЕНТЫ ДВИГАТЕЛЯ
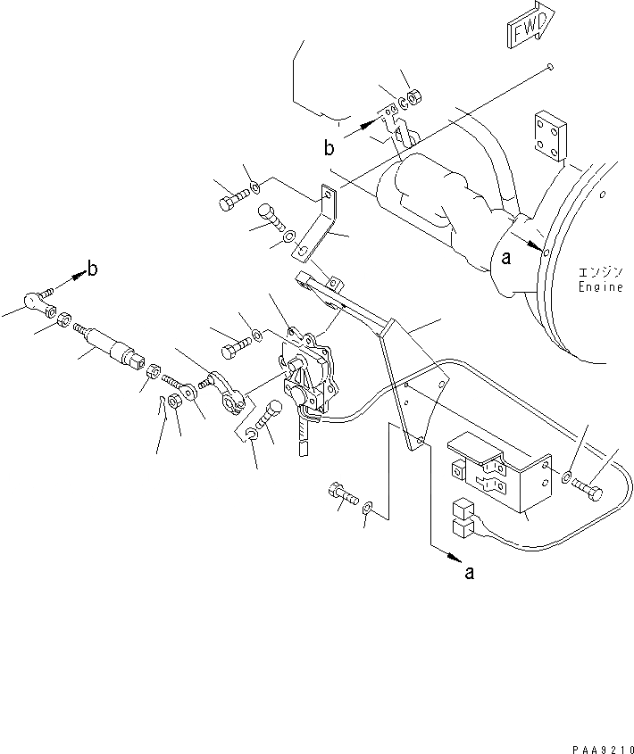
1
2
3
4
5
5
6
6
7
8
9
10
11
12
13
14
15
16
17
18
19
20
21
22
23
24
FIT
1:1
100%

Артикул

Название

Примечание

Количество

1

203-43-61112

BRACKET

2

01010-51050

BOLT

3

01643-31032

WASHER

4

203-43-64120

PLATE

5

01010-51025

BOLT

6

01643-31032

WASHER

7

7834-40-2000

MOTOR ASS'Y

8

01010-51040

BOLT

9

01643-31032

WASHER

10

203-43-61120

LEVER

11

01010-51030

BOLT

12

01602-21030

WASHER

13

203-43-64130

BRACKET

14

01010-51020

BOLT

15

01643-31032

WASHER

16

203-43-62120

SPRING ASS'Y

17

01582-11008

NUT

18

04252-21061

END

19

01593-31008

NUT

20

04050-12018

PIN

21

01582-11008

NUT

22

20Y-43-12180

JOINT

23

01580-10605

NUT

24

01602-20619

WASHER

Выбрано товаров: 24