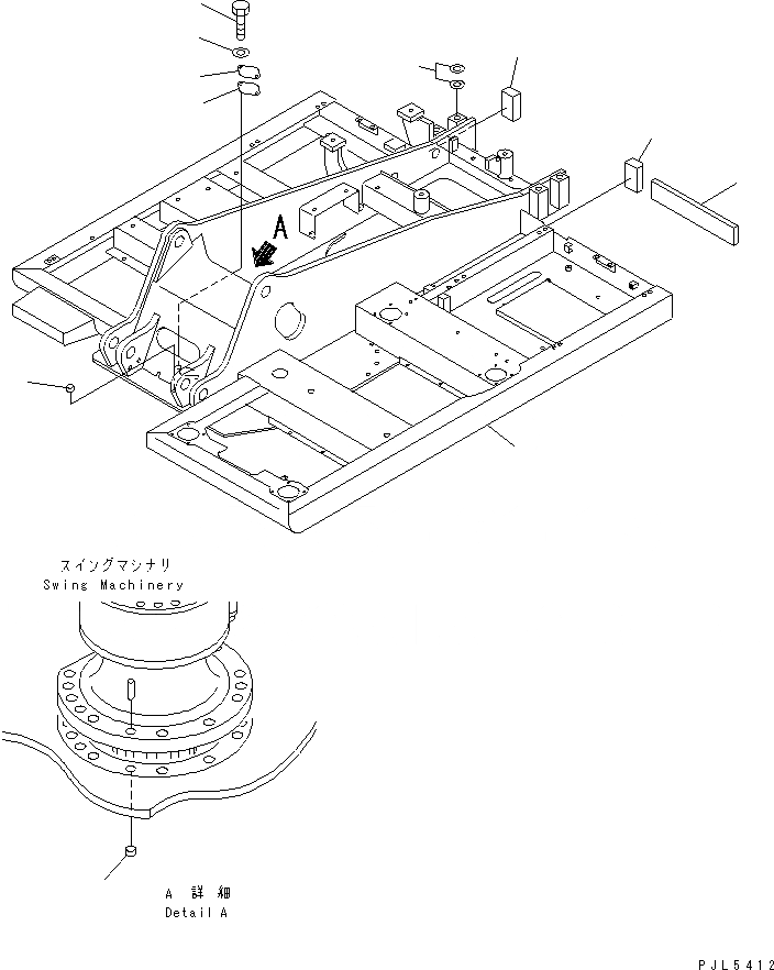
Запчасти Komatsu PC100-6S ОСНОВНАЯ РАМА(№8-) ОСНОВНАЯ РАМА И ЕЕ ЧАСТИ

Схема запчастей Komatsu PC100-6S - ОСНОВНАЯ РАМА(№8-) ОСНОВНАЯ РАМА И ЕЕ ЧАСТИ
1
2
3
4
5
6
7
8
9
10
10
FIT
1:1
100%

Артикул

Название

Примечание

Количество

1

202-46-71502

FRAME

2

21K-46-21190

PLATE¤ 1.0MM

3

203-46-61910

PLUG

4

203-46-61920

CAP

5

203-46-61520

GASKET

6

203-46-56160

COVER

7

01010-81230

BOLT

8

01643-31232

WASHER

9

203-46-62121

SHEET

10

203-46-62130

SHEET

Выбрано товаров: 0