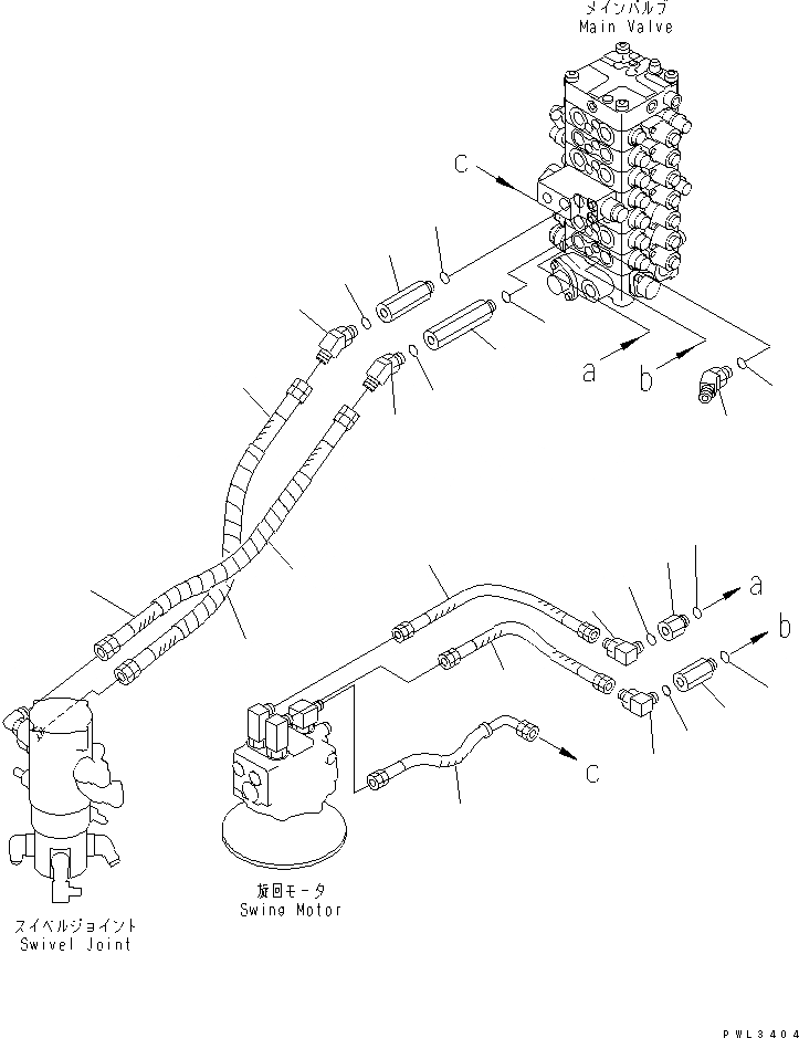
Запчасти Komatsu PC100-6Z КЛАПАН ТРУБЫ (ПОВОРОТН. И ХОД)(№-) ГИДРАВЛИКА

Схема запчастей Komatsu PC100-6Z - КЛАПАН ТРУБЫ (ПОВОРОТН. И ХОД)(№-) ГИДРАВЛИКА
1
2
3
3
4
4
5
6
7
8
9
10
11
12
13
14
14
15
15
16
17
18
18
19
19
FIT
1:1
100%

Артикул

Название

Примечание

Количество

1

203-62-61410

JOINT

2

07002-12434

O-RING

3

07235-10425

ELBOW

3

203-62-32950

ELBOW

4

07002-12434

O-RING

5

201-62-71810

JOINT

6

07002-12434

O-RING

7

07121-00404

HOSE

8

203-62-63910

HOSE, 300MM

9

203-62-63930

HOSE, 350MM

10

203-62-61213

ELBOW

11

07002-12434

O-RING

12

203-62-63760

JOINT

13

07002-12434

O-RING

14

07236-10522

ELBOW

15

07002-12434

O-RING

16

203-62-63770

JOINT

17

07002-12434

O-RING

18

07096-00507

HOSE

19

203-62-32440

COVER

19

203-62-32440

COVER

Выбрано товаров: 21