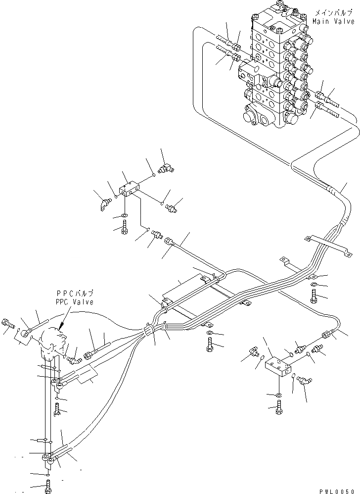
Запчасти Komatsu PC100-6Z ОСНОВН. КОНСТРУКЦИЯ (P.P.C. ЛИНИЯ ХОДА)(№9-8) КАБИНА ОПЕРАТОРА И СИСТЕМА УПРАВЛЕНИЯ

Схема запчастей Komatsu PC100-6Z - ОСНОВН. КОНСТРУКЦИЯ (P.P.C. ЛИНИЯ ХОДА)(№9-8) КАБИНА ОПЕРАТОРА И СИСТЕМА УПРАВЛЕНИЯ
1
1
2
2
3
3
4
4
5
5
6
6
6
6
7
7
7
8
8
9
9
10
10
11
12
13
14
15
15
16
16
16
16
17
18
19
20
21
22
23
24
25
26
27
28
29
30
31
31
32
33
34
34
35
36
37
38
39
40
40
41
42
43
43
FIT
1:1
100%

Артикул

Название

Примечание

Количество

1

20Y-62-22872

HOSE¤ 1350MM

2

203-62-52340

HOSE¤ 1000MM

3

20Y-62-22790

BAND¤ RED

4

20Y-62-22820

BAND¤ BLUE

5

08034-00519

BAND

6

203-62-62693

HOSE¤ 2700MM

7

203-62-62575

HOSE¤ 3300MM

8

20Y-62-22790

BAND¤ RED

9

20Y-62-22820

BAND¤ BLUE

10

20Y-62-22850

BAND¤ GREEN

11

08017-32803

CONDUIT

12

08034-00536

BAND

13

20Y-62-18910

BOLT

14

07000-12018

O-RING

|14

07000-02018

O-RING

15

20Y-62-18890

BOLT

16

07000-12015

O-RING

|16

07000-02015

O-RING

17

07235-10210

ELBOW

18

07002-01423

O-RING

19

20Y-62-27770

CLAMP

20

01010-81020

BOLT

21

01643-31032

WASHER

22

201-62-72570

CLAMP

23

01010-81016

BOLT

24

01643-31032

WASHER

25

08034-00536

BAND

26

20Y-62-15831

BLOCK

27

01010-81045

BOLT

28

01643-31032

WASHER

29

07235-10311

ELBOW

30

07235-10210

ELBOW

31

07002-01423

O-RING

32

07230-20210

UNION

33

07230-20210

UNION

34

07002-01423

O-RING

35

20Y-62-15831

BLOCK

36

01010-81045

BOLT

37

01643-31032

WASHER

38

07235-10311

ELBOW

39

07235-10210

ELBOW

40

07002-01423

O-RING

41

07230-20210

UNION

42

07230-20210

UNION

43

07002-01423

O-RING

Выбрано товаров: 45