Запчасти Komatsu PC100-6Z СОЛЕНОИДНЫЙ КЛАПАН ЛИНИЯ (СОЛЕНОИДНЫЙ КЛАПАН ТРУБЫ) (-SPEED ХОД)(№-8) ГИДРАВЛИКА

Схема запчастей Komatsu PC100-6Z - СОЛЕНОИДНЫЙ КЛАПАН ЛИНИЯ (СОЛЕНОИДНЫЙ КЛАПАН ТРУБЫ) (-SPEED ХОД)(№-8) ГИДРАВЛИКА
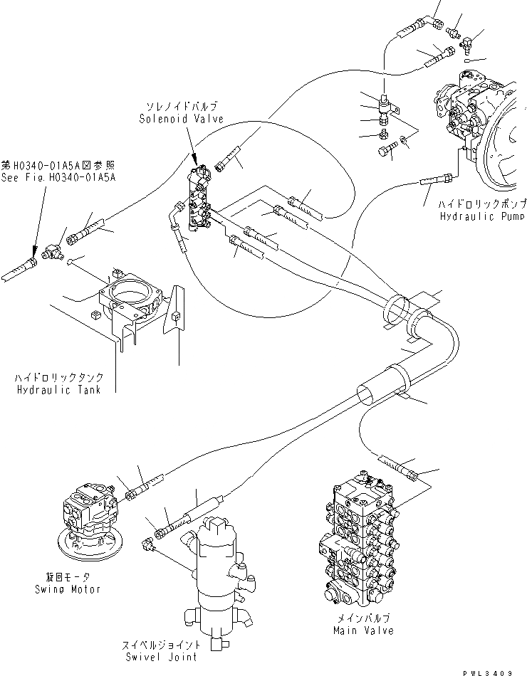
1
1
2
3
3
4
5
6
7
7
8
8
9
10
11
11
12
12
13
14
14
15
16
17
18
19
20
20
21
22
23
24
25
FIT
1:1
100%

Артикул

Название

Примечание

Количество

1

203-62-52290

HOSE¤ 1100MM

2

20Y-62-22830

BAND¤ WHITE,WHITE

3

07102-20403

HOSE

4

20Y-62-22860

BAND¤ BROWN,BROWN

5

08017-31309

CONDUIT

6

08017-32206

CONDUIT

7

203-62-52260

HOSE¤ 1300MM

8

203-62-63871

HOSE¤ 1900MM

9

20Y-62-22820

BAND¤ BLUE,BLUE

10

20Y-62-22850

BAND¤ GREEN,GREEN

11

203-62-67180

HOSE¤ 600MM

12

203-62-62782

HOSE

13

203-62-58220

MARK¤ T2

14

08034-00536

BAND

15

209-62-27580

TEE

16

07002-02034

O-RING

17

203-62-65480

ELBOW

18

07002-02434

O-RING

19

07238-10422

CONNECTOR

20

203-62-65270

HOSE

21

07376-50422

PLUG

22

07095-20627

CUSHION

23

04434-53412

CLIP

24

01010-81020

BOLT

25

01643-31032

WASHER

Выбрано товаров: 25