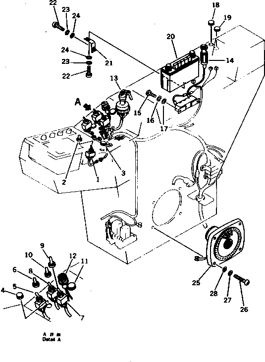
Запчасти Komatsu PC1000-1 ПАНЕЛЬ ПРИБОРОВ (/) (С AM РАДИО) (КРОМЕ ЯПОН.) КОМПОНЕНТЫ ДВИГАТЕЛЯ И ЭЛЕКТРИКА

Схема запчастей Komatsu PC1000-1 - ПАНЕЛЬ ПРИБОРОВ (/) (С AM РАДИО) (КРОМЕ ЯПОН.) КОМПОНЕНТЫ ДВИГАТЕЛЯ И ЭЛЕКТРИКА
FIT
1:1
100%

Артикул

Название

Примечание

Количество

1

209-06-51330

SWITCH ASS'Y

2

203-06-41610

CAP

3

09415-01610

CAP

4

09415-00706

CAP

5

207-06-31240

WIRING HARNESS

6

203-06-41610

CAP

7

21N-06-11330

WIRING HARNESS

8

209-06-51330

SWITCH ASS'Y

9

203-06-41610

CAP

10

203-06-41680

CAP

11

09415-01610

CAP

12

205-06-64540

LAMP,CAUTION

13

209-06-51430

SWITCH ASS'Y

14

195-822-6151

LIGHTER

15

01220-40408

SCREW

16

01601-20410

WASHER,SPRING

17

01641-20405

WASHER

18

09415-00706

CAP

19

09415-00706

CAP

G-1

209-06-X1100

RADIO GROUP,AM

20

205-06-72510

RADIO ASS'Y

21

207-06-31170

BRACKET

22

01220-40512

SCREW

23

01601-20513

WASHER,SPRING

24

01642-20508

WASHER

25

20G-06-15120

SPEAKER

26

01220-40420

SCREW

27

01601-20410

WASHER,SPRING

28

01641-20405

WASHER

Выбрано товаров: 29