Запчасти Komatsu PC1000-1 ПАНЕЛЬ ПРИБОРОВ (/) КОМПОНЕНТЫ ДВИГАТЕЛЯ И ЭЛЕКТРИКА

Схема запчастей Komatsu PC1000-1 - ПАНЕЛЬ ПРИБОРОВ (/) КОМПОНЕНТЫ ДВИГАТЕЛЯ И ЭЛЕКТРИКА
FIT
1:1
100%

Артикул

Название

Примечание

Количество

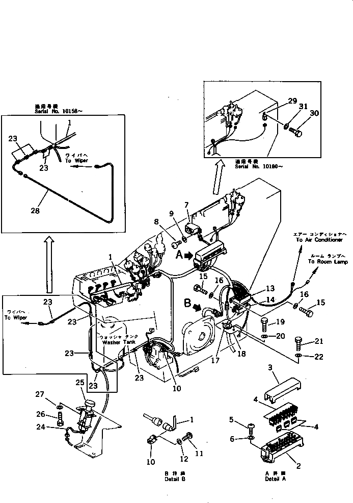
1

21N-06-11391

WIRING HARNESS

1

21N-06-11390

WIRING HARNESS

2

195-Z11-2280

BODY

3

195-Z11-2290

COVER

4

283-06-16190

FUSE, 10A

4

22W-06-13160

FUSE, 20A

5

01220-40616

SCREW

6

01643-30623

WASHER

7

207-06-31160

BUZZER

8

01220-40412

SCREW

9

01642-20405

WASHER

10

421-06-12610

CLIP

11

01220-40616

SCREW

12

01641-20608

WASHER

13

142-06-13530

CLIP

14

142-06-13520

CLIP

15

01010-51225

BOLT

16

01643-31232

WASHER

17

209-06-51470

GROMMET

18

209-06-51460

PLATE

19

01010-51020

BOLT

20

01643-31032

WASHER

21

01010-51020

BOLT

22

01643-31032

WASHER

23

205-54-72710

CLIP

24

209-06-21240

WIRING HARNESS

25

21T-06-11901

SWITCH ASS'Y

26

01010-50812

BOLT

27

01643-30823

WASHER

28

205-06-71540

WIRE

28

21N-06-11630

WIRING HARNESS,(FOR EC)

29

22W-06-13450

RELAY ASS'Y

30

01010-50612

BOLT

31

01643-30623

WASHER

Выбрано товаров: 0