Запчасти Komatsu PC1000-1 УПРАВЛ-Е БЛОК (С КОНДИЦИОНЕРОМ) ЧАСТИ КОРПУСА

Схема запчастей Komatsu PC1000-1 - УПРАВЛ-Е БЛОК (С КОНДИЦИОНЕРОМ) ЧАСТИ КОРПУСА
FIT
1:1
100%

Артикул

Название

Примечание

Количество

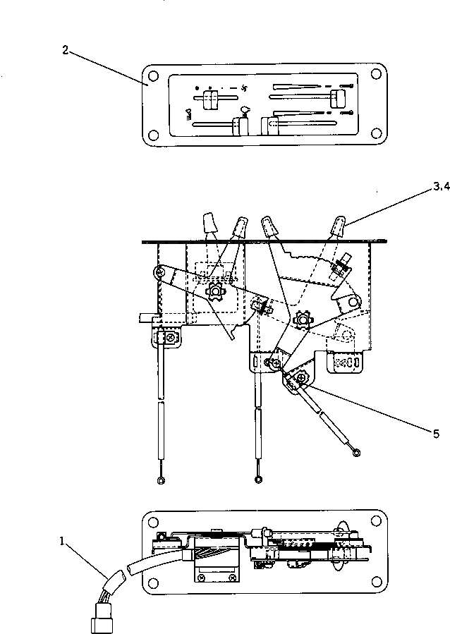
G-1

21N-979-X100

AIR CONDITIONER G.

|$2

205-979-6160

CONTROL ASS'Y

1

205-979-7700

SWITCH

2

205-979-7710

ORNAMENT

3

205-979-7720

KNOB

4

205-979-7730

CLIP

5

205-979-7740

CLAMP

Выбрано товаров: 0