Запчасти Komatsu PC1000-1 ЭЛЕКТРИКА (ЭЛЕКТРОПРОВОДКА) (/) (ДЛЯ ПОГРУЗ.) (С -POSITIONАВТОМАТИЧ. COMPENSATION) (КРОМЕ ЯПОН.) КОМПОНЕНТЫ ДВИГАТЕЛЯ И ЭЛЕКТРИКА

Схема запчастей Komatsu PC1000-1 - ЭЛЕКТРИКА (ЭЛЕКТРОПРОВОДКА) (/) (ДЛЯ ПОГРУЗ.) (С -POSITION АВТОМАТИЧ. COMPENSATION) (КРОМЕ ЯПОН.) КОМПОНЕНТЫ ДВИГАТЕЛЯ И ЭЛЕКТРИКА
FIT
1:1
100%

Артикул

Название

Примечание

Количество

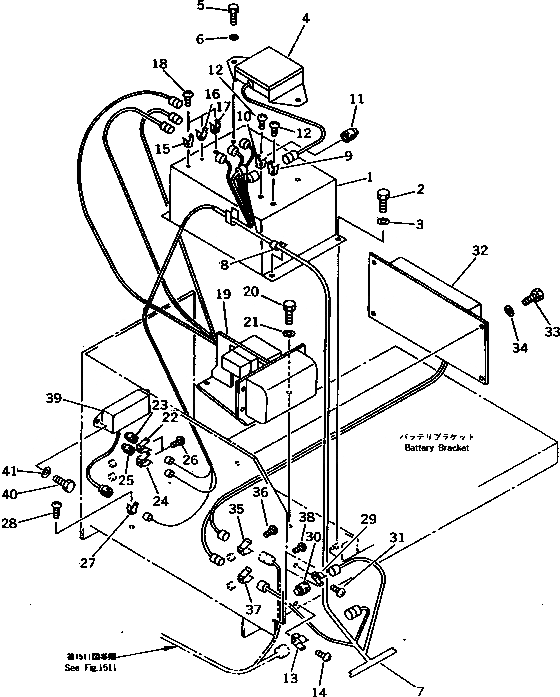
1

21N-06-11290

COVER

2

01010-51020

BOLT

3

01643-31032

WASHER

4

21N-06-11111

CONTROL BOX ASS'Y

5

01010-51025

BOLT

6

01643-31032

WASHER

7

21N-06-11216

WIRING HARNESS

7

21N-06-11215

WIRING HARNESS

7

21N-06-11214

WIRING HARNESS

7

21N-06-11213

WIRING HARNESS

7

21N-06-11212

WIRING HARNESS

8

08036-01014

CLIP

9

08052-02711

CLIP

10

08052-01711

CLIP

11

21N-06-11340

WIRING HARNESS

12

01220-40616

SCREW

13

08052-01711

CLIP

14

01220-40616

SCREW

15

08052-02411

CLIP

16

08052-01911

CLIP

17

08052-01711

CLIP

18

01220-40616

SCREW

19

600-815-4300

CONTROL UNIT ASS'Y

20

01010-51025

BOLT

21

01643-31032

WASHER

22

08052-02411

CLIP

23

209-06-51560

WIRING HARNESS

24

08052-02711

CLIP

25

207-06-31370

CONNECTOR

26

01220-40616

SCREW

27

08052-01711

CLIP

28

01220-40616

SCREW

29

08052-02411

CLIP

30

209-06-51550

WIRING HARNESS

31

01220-40616

SCREW

G-1

21N-06-X3000

AUTO COMPENSATION G.

32

7827-45-1000

CONTROL BOX

33

01010-51025

BOLT

34

01643-31032

WASHER

35

08052-02711

CLIP

36

01220-40616

SCREW

37

08052-02411

CLIP

38

01220-40616

SCREW

39

205-06-72280

RESISTOR

40

01010-50820

BOLT

41

01643-30823

WASHER

Выбрано товаров: 0