Запчасти Komatsu PC1000-1 ГИДР. НАСОС.¤ ПОВОРОТН. (НАСОС /) (/) УПРАВЛ-Е РАБОЧИМ ОБОРУДОВАНИЕМ

Схема запчастей Komatsu PC1000-1 - ГИДР. НАСОС.¤ ПОВОРОТН. (НАСОС /) (/) УПРАВЛ-Е РАБОЧИМ ОБОРУДОВАНИЕМ
FIT
1:1
100%

Артикул

Название

Примечание

Количество

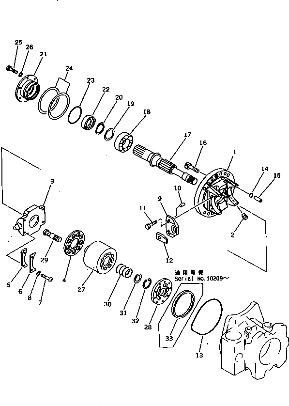
|$0

708-25-02081

PUMP ASS'Y,(HPV 90+90)

|$1

708-25-02080

PUMP ASS'Y,(HPV 90+90)

|$3

708-25-04180

PUMP SUB ASS'Y

|$4

708-25-51201

PUMP SUB ASS'Y

|$6

708-25-00331

CRADLE ASS'Y,FRONT

|$7

708-25-00330

CRADLE ASS'Y,FRONT

|$8

708-25-00520

CRADLE SUB ASS'Y,FRONT

1

CRADLE,FRONT

2

PLUG

3

708-25-13411

CAM,ROCKER

3

4708-25-13410

CAM,ROCKER

4

708-25-13422

RETAINER,SHOE

5

708-25-05061

SPACER KIT

5

SPACER, 11.575MM

5

SPACER, 11.540MM

5

SPACER, 11.560MM

6

708-25-13441

RETAINER

7

708-25-13470

SCREW

8

01643-30623

WASHER

9

708-25-12360

PLATE

10

04020-00820

PIN,DOWEL

11

01010-50816

BOLT

11

01010-30816

BOLT

12

708-25-14121

SLIDER

12

4708-25-14120

SLIDER

13

708-25-12340

O-RING

14

07000-12015

O-RING

15

708-25-12330

JOINT

16

708-25-12350

BOLT

17

708-25-52710

SHAFT,FRONT

18

708-25-12731

BEARING

19

708-25-05010

WASHER KIT

19

WASHER, 2.0MM

19

WASHER, 2.1MM

19

WASHER, 2.2MM

20

708-25-12790

RING,SNAP

21

708-25-12812

HOUSING

21

708-25-12811

HOUSING

22

708-25-52860

SEAL,OIL

23

07000-02080

O-RING

24

708-25-05130

SHIM KIT

24

SHIM, 0.1MM

24

SHIM, 0.2MM

25

01010-50820

BOLT

25

01010-30820

BOLT

26

01643-30823

WASHER

|$50

708-25-00401

CYLINDER BLOCK ASS'Y

|$51

708-25-00010

BLOCK ASS'Y,FRONT

27

708-25-13151

BLOCK,CYLINDER

28

708-25-13611

PLATE

28

708-25-13210

PLATE,VALVE, FRONT

29

708-25-13312

PISTON SUB ASS'Y

29

708-25-13311

PISTON SUB ASS'Y

30

708-25-13130

SPRING

31

708-25-13120

WASHER

32

708-25-13140

RING,SNAP

33

708-25-13630

RING

Выбрано товаров: 0