Запчасти Komatsu PC1000-1 ПАНЕЛЬ ПРИБОРОВ (/) (ДЛЯ ПОГРУЗ.) (ДЛЯ ЯПОН.) КОМПОНЕНТЫ ДВИГАТЕЛЯ И ЭЛЕКТРИКА

Схема запчастей Komatsu PC1000-1 - ПАНЕЛЬ ПРИБОРОВ (/) (ДЛЯ ПОГРУЗ.) (ДЛЯ ЯПОН.) КОМПОНЕНТЫ ДВИГАТЕЛЯ И ЭЛЕКТРИКА
FIT
1:1
100%

Артикул

Название

Примечание

Количество

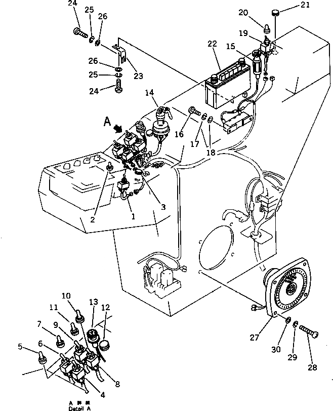
1

209-06-51330

SWITCH ASS'Y

2

203-06-41610

CAP

3

09415-01610

CAP

G-1

21N-06-X3000

AUTO COMPENSATION G.

4

209-06-51670

WIRING HARNESS

5

203-06-41610

CAP

6

207-06-31240

WIRING HARNESS

7

203-06-41610

CAP

8

21N-06-11330

WIRING HARNESS

9

209-06-51330

SWITCH ASS'Y

10

203-06-41610

CAP

11

203-06-41680

CAP

12

09415-01610

CAP

13

205-06-64540

LAMP,CAUTION

14

209-06-51430

SWITCH ASS'Y

15

195-822-6151

LIGHTER

16

01220-40408

SCREW

17

01601-20410

WASHER,SPRING

18

01641-20405

WASHER

G-2

21N-06-X1300

ELECTRICAL GROUP

19

207-06-31240

WIRING HARNESS

20

203-06-41610

CAP

21

09415-00706

CAP

G-3

209-06-X1100

RADIO GROUP,AM

22

205-06-72510

RADIO ASS'Y

23

207-06-31170

BRACKET

24

01220-40512

SCREW

25

01601-20513

WASHER,SPRING

26

01642-20508

WASHER

27

20G-06-15120

SPEAKER

28

01220-40420

SCREW

29

01601-20410

WASHER,SPRING

30

01641-20405

WASHER

Выбрано товаров: 33