Запчасти Komatsu PC1000-1 РУКОЯТЬ(№-) РАБОЧЕЕ ОБОРУДОВАНИЕ (ЭКСКАВАТ.)

Схема запчастей Komatsu PC1000-1 - РУКОЯТЬ(№-) РАБОЧЕЕ ОБОРУДОВАНИЕ (ЭКСКАВАТ.)
FIT
1:1
100%

Артикул

Название

Примечание

Количество

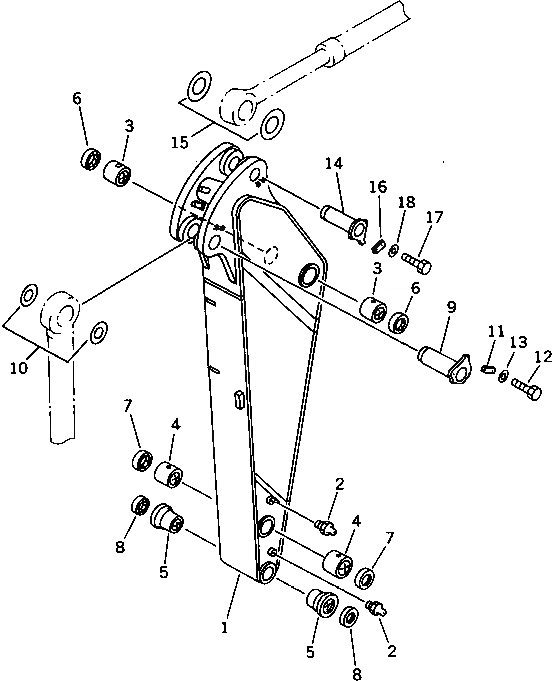
G-1

21N-70-X2100

ARM GROUP

|1

21N-70-00020

ARM ASS'Y

1

ARM

2

07020-00000

FITTING,GREASE

3

21N-70-11181

BUSHING

|3

21N-70-11180

BUSHING

4

21N-70-12170

BUSHING

5

21N-70-12150

BUSHING

6

209-72-11311

SEAL

7

209-72-11261

SEAL

8

21N-70-12160

SEAL

G-2

21N-70-X2200

ARM PIN GROUP

9

21N-70-12140

PIN

10

21N-72-11230

SHIM¤ 1.0MM

11

207-70-11230

PLATE

12

01010-51640

BOLT

13

01643-31645

WASHER

14

21N-70-11170

PIN

15

21N-72-11210

SHIM¤ 1.0MM

16

207-70-11230

PLATE

17

01010-51640

BOLT

18

01643-31645

WASHER

Выбрано товаров: 22