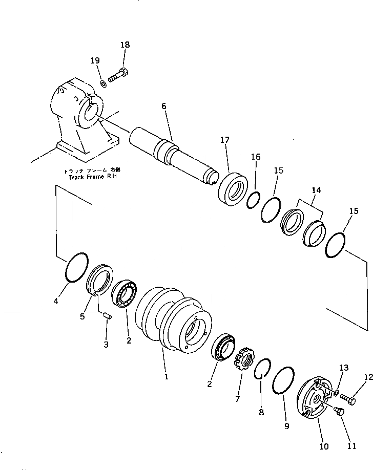
Запчасти Komatsu PC1000-1 ПОДДЕРЖИВАЮЩИЙ КАТОК ХОДОВАЯ

Схема запчастей Komatsu PC1000-1 - ПОДДЕРЖИВАЮЩИЙ КАТОК ХОДОВАЯ
FIT
1:1
100%

Артикул

Название

Примечание

Количество

|1

21N-30-00030

CARRIER ROLLER ASS'Y

1

21N-30-15110

ROLLER,CARRIER

2

06000-30216

BEARING,ROLLER

3

04020-00616

PIN,DOWEL

4

195-30-33190

O-RING

5

198-30-35120

RING

6

21N-30-15130

SHAFT

7

180-30-15180

NUT

8

180-30-15190

RING,SNAP

9

07000-02135

O-RING

10

198-30-35140

COVER

11

07052-31624

PLUG

12

01010-51230

BOLT

13

01602-21236

WASHER

|14

205-30-00052

FLOATING SEAL ASS'Y

14

RING,SEAL

15

O-RING

16

07000-02095

O-RING

17

198-30-35180

RING

18

01011-52400

BOLT

19

01643-32460

WASHER

Выбрано товаров: 21