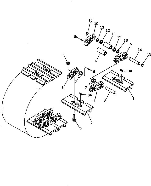
Запчасти Komatsu PC1000-1 ГУСЕНИЦЫ (ДВОЙН. ГРУНТОЗАЦЕП)(№7-) ХОДОВАЯ

Схема запчастей Komatsu PC1000-1 - ГУСЕНИЦЫ (ДВОЙН. ГРУНТОЗАЦЕП)(№7-) ХОДОВАЯ
FIT
1:1
100%

Артикул

Название

Примечание

Количество

|1

21N-32-01005

TRACK SHOE ASS'Y

|1

21N-32-01004

TRACK SHOE ASS'Y

1

21N-32-11113

SHOE,TRACK

2

21N-32-11211

BOLT¤ SHOE (KIT)

3

195-32-41220

NUT¤ SHOE (KIT)

3A

19M-32-11450

KEY

|4

21N-32-00013

TRACK LINK ASS'Y

|4

21N-32-00012

TRACK LINK ASS'Y

4

21N-32-11121

LINK,TRACK¤ L.H.

5

21N-32-11131

LINK,TRACK¤ R.H.

6

21N-32-11140

BUSHING,REGULAR

|6

195-32-45140

BUSHING,REGULAR

7

195-32-45160

WASHER

8

21N-32-11151

PIN,REGULAR

9

21N-32-11221

LINK,MASTER¤ L.H.

10

21N-32-11231

LINK,MASTER¤ R.H.

11

21N-32-11370

BUSHING,MASTER

|11

21N-32-11170

BUSHING,MASTER

12

21N-32-11251

SEAL,DUST

13

195-32-45160

WASHER

14

21N-32-11192

PIN,MASTER

15

21N-32-11240

RING,SNAP

1

21N-32-05001

SHOE BOLT AND NUT K.

2

21N-32-11211

BOLT¤ SHOE

3

195-32-41220

NUT¤ SHOE

6

195-98-09670

BUSHING,REGULAR

8

21N-98-09011

PIN,REGULAR

11

21N-98-09130

BUSHING,MASTER

14

21N-98-09171

PIN,MASTER

6

195-98-09680

BUSHING,REGULAR

8

21N-98-09021

PIN,REGULAR

11

21N-98-09140

BUSHING,MASTER

14

21N-98-09181

PIN,MASTER

Выбрано товаров: 33