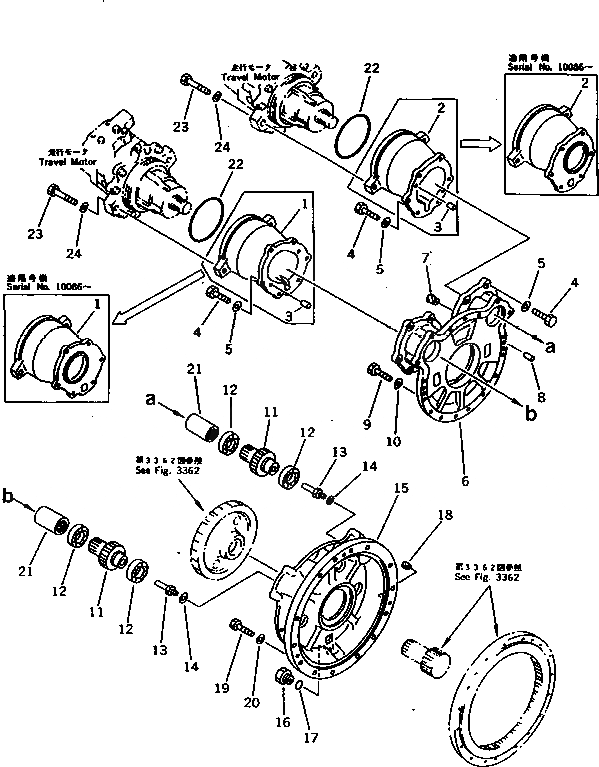
Запчасти Komatsu PC1000LC-1 КОРПУС КОНЕЧН. ПЕРЕДАЧИ И ЗВЕЗДОЧКА (/) ХОДОВАЯ

Схема запчастей Komatsu PC1000LC-1 - КОРПУС КОНЕЧН. ПЕРЕДАЧИ И ЗВЕЗДОЧКА (/) ХОДОВАЯ
FIT
1:1
100%

Артикул

Название

Примечание

Количество

1

21N-27-11521

CASE,L.H.

1

21N-27-11520

CASE,L.H.

1

21N-27-11541

CASE,R.H.

1

21N-27-11540

CASE,R.H.

2

21N-27-11511

CASE,L.H.

2

21N-27-11510

CASE,L.H.

2

21N-27-11531

CASE,R.H.

2

21N-27-11530

CASE,R.H.

3

04020-01638

PIN,DOWEL

4

01010-51650

BOLT

5

01643-31645

WASHER

|$11

21N-27-00042

FINAL DRIVE ASS'Y,L.H.

|$12

21N-27-00041

FINAL DRIVE ASS'Y,L.H.

|$13

21N-27-00040

FINAL DRIVE ASS'Y,L.H.

|$14

21N-27-00052

FINAL DRIVE ASS'Y,R.H.

|$15

21N-27-00051

FINAL DRIVE ASS'Y,R.H.

|$16

21N-27-00050

FINAL DRIVE ASS'Y,R.H.

6

21N-27-11591

CASE

6

21N-27-11590

CASE

7

07049-01620

PLUG

8

04020-01638

PIN,DOWEL

9

01010-51650

BOLT

10

01643-31645

WASHER

11

21N-27-11560

SHAFT

12

06043-00209

BEARING,ROLLER

13

209-27-51470

NIPPLE

14

01643-31032

WASHER

15

21N-27-11580

CASE

16

07044-13620

PLUG

17

07002-03634

O-RING

18

07049-02025

PLUG

19

01011-52000

BOLT

20

01643-32060

WASHER

21

209-27-51180

COUPLING

22

07000-05240

O-RING

23

01010-52485

BOLT

24

01643-32460

WASHER

Выбрано товаров: 37