Запчасти Komatsu PC1000LC-1 КОРПУС КОНЕЧН. ПЕРЕДАЧИ И ЗВЕЗДОЧКА (/) ХОДОВАЯ

Схема запчастей Komatsu PC1000LC-1 - КОРПУС КОНЕЧН. ПЕРЕДАЧИ И ЗВЕЗДОЧКА (/) ХОДОВАЯ
FIT
1:1
100%

Артикул

Название

Примечание

Количество

|$0

21N-27-00042

FINAL DRIVE ASS'Y,L.H.

|$1

21N-27-00041

FINAL DRIVE ASS'Y,L.H.

|$2

21N-27-00040

FINAL DRIVE ASS'Y,L.H.

|$3

21N-27-00052

FINAL DRIVE ASS'Y,R.H.

|$4

21N-27-00051

FINAL DRIVE ASS'Y,R.H.

|$5

21N-27-00050

FINAL DRIVE ASS'Y,R.H.

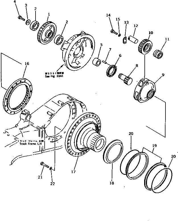
1

21N-27-11570

GEAR

2

06044-00221

BEARING,ROLLER

3

21T-27-71220

HOLDER

4

01010-51645

BOLT

5

21N-27-11230

SPACER

6

21T-27-11540

WASHER,THRUST

7

04020-00616

PIN,DOWEL

8

21N-27-11240

SHAFT

9

21N-27-11270

CARRIER

10

21N-27-11250

GEAR

11

21N-27-11380

BEARING,ROLLER

12

21N-27-11430

PIN

13

21T-26-11420

LOCK

14

01010-51225

BOLT

15

01643-31232

WASHER

16

21N-27-11260

GEAR

17

21N-27-11140

HOUSING

18

21N-27-11420

SPACER

|$25

195-27-00102

FLOATING SEAL ASS'Y

|$26

195-27-00101

FLOATING SEAL ASS'Y

|$27

195-27-00100

FLOATING SEAL ASS'Y

19

RING,SEAL

19

RING,SEAL

20

O-RING

20

O-RING

21

01011-52405

BOLT

22

01643-32460

WASHER

Выбрано товаров: 33